|
VEB Motorradwerk Zschopau (Herausgeber)(1969):
Ersatzteilliste für die MZ-Motorräder ES 125-1 und ES 150-1
Vorbemerkungen
- Sämtliche Bestellungen und Zuschriften, die sich auf Ersatzteile für
die Motorräder ES 125/1-ES 150/1 und ETS beziehen, sind an
VEB Motorradwerk Zschopau Ersatzteilvertrieb 9363
Gornau zu richten. Wenn es sich um Ersatzteile der
elektrischen Anlage handelt,so sind diese vom
Kombinat VEB Fahrzeugelektrik Ruhla Zentraler Service und
Vertrieb 9166 Thalheim (Erzgeb.) Karl-Marx-Straße 10a zu
beziehen In dieser Ersatzteilliste sind Teile, die nur für den Motor
MM 150/2 bestimmt sind, kursiv gedruckt. Alle Ersatzteile ohne Hinweis
auf einen besonderen Typ in der Spalte 'Bemerkung' passen für beide
ES-Typen dieser Ersatzteilliste.
- Ersatzteilbestellungen sind stets auf unseren Bestellformularen
getrennt vom übrigen Schriftwechsel anzugeben, da sonst Verzögerungen
unvermeidbar sind.
Telefonisch, telegrafisch und formlose
Bestellungen werden nicht bearbeitet. Geben Sie bitte Ihre Anschrift
deutlich an und vergessen Sie nicht, die Postleitzahl und die
Kundennummer auf den Bestellungen an der von uns geforderten Stell
anzubringen. Bitte schreiben Sie die volle Ersatzteilnummer, wie sie
im vorliegenden Katalog ausgedruckt ist, und beachten Sie unbedingt die
Trennung nach Typen. Nicht ordnungsgemäß ausgefüllte Bestellungen werden
unbearbeitet zurückgesandt. Ersatzteilbestellungen müssen 15
Arbeitstage vor dem Termin der Selbstabholung bei uns vorliegen.
- Bei Rückfragen sind immer unsere Rechnungs- und Lieferscheinnummern
sowie das Diktatzeichen anzugeben.
- Beanstandungen müssen innerhalb 14 Tagen, vom Erhalt der Sendung an
gerechnet, eingereicht werden. Der Empfängerschein ist beizufügen. Bei
Selbstabholung sind Beanstandungen nur bei Übergabe der Ware möglich.
- Werden Teile eingeschickt, so sind an ihnen haltbare Anhänger mit
genauem Absender anzubringen. Diese Sendungen richten Sie bitte an uns
und fügen genaue Lieferpapiere bei.
- Die Preise sind unverbindlich infolge Materialänderungen ab unserem
Werk einschließlich branchenüblicher Innenverpackung.
- Für alle Ersatzteilaufträge gelten unsere allgemeinen
Lieferbedingungen für Ersatzteile, Zubehörlieferungen und Reparaturen.
- Alle Sendungen reisen zu Lasten und auf Risiko des Bestellers.
- Ersatzteile liefern wir nicht an Privatpersonen. Wir verweisen
diesbezügliche Anfragen an die dafür zuständige Vertragswerkstatt sowie
Fachgeschäfte des staatlichen und genossenschaftlichen Einzelhandels.
- Ist die Rückgabe der uns als Muster eingeschickten Teile erwünscht,
so muß dies ausdrücklich im Brief und durch Anhänger bekanntgegeben
werden.
- Unsere Kunden im Ausland bitten wir, sich in allen Ersatzteil- und
Reparaturfragen an die Generalvertretung ihres Landes zu wenden.
- Werden farbig lackierte Teile benötigt, so können diese nur mit
genauer Indexbezeichnung nach der aufgeführten Indextabelle in unserem
Ersatzteilvertrieb bestellt werden.
Nach der Ersatzteilnummer des
Teiles folgt ein Schrägstrich und der Index der gewünschten Farbe.
| 00 = |
schwarz |
| 01 = |
graphitgrau |
| 03 = |
blau |
| 04 = |
gelb |
| 06 = |
alabasterweiß |
| 07 = |
rot |
| 09 = |
olivgrün | Diese Farbangaben beziehen sich
nur auf im Handel befindliche Fahrzeuge dieser Typen.
- Standardteile (TGL) gehören nicht zu unserem Lieferumfang.
VEB MOTORRADWERK ZSCHOPAU
|
Gruppenübersicht
| Gruppe: Fahrgestell |
| Tafel 1    Rahmen, Kippständer |
| Tafel 2    Sattelträger, hintere Schwinge |
| Tafel 3    Träger für Vordergabel, Schwinge vorn |
| Tafel 4    Lenker, Lenkerhebel, Seilzüge |
| Tafel 5    Federbeine |
| Tafel 6    Vorderrad, Radkörper, Bremse |
| Tafel 7    Hinterrad, Radkörper, Bremse |
| Tafel 8    Hinterrad- und Tacho-Antrieb |
| Tafel 9    Kraftstoffbehälter, Filterhahn |
| Tafel 10    Auspuffanlage |
| Tafel 11    Kotflügel |
| Tafel 12    Verkleidung, Ansauggeräuschdämpfer, Luftfilter |
| Tafel 13    Sättel, Werkzeug, Zubehör |
| Gruppe: Elektrische Ausrüstung |
| Tafel 14    Lichtmaschine, Unterbrecher, Lenkerblinkleuchte |
| Tafel 15    Batterie, Regler, Zündspule, Bremsschlußkennzeichenleuchte,
Signalhorn, Glühlampen, Zündkabel |
| Tafel 16    Scheinwerfer, Glühlampen, Tachometer |
| Gruppe: Motor |
| Tafel 17    Gehäuse |
| Tafel 18    Zylinder, Kolben, Kurbelwelle |
| Tafel 19    Schaltung, Kickstarter |
| Tafel 20    Kupplung |
| Tafel 21    Zahnräder, Wellen |
| Tafel 22    Startvergaser |
| Gruppe: Sonderzubehör |
| 23    Beinschutzbleche, Taschenträger, Seitengepäckträger,
Handschaltung |
| Anhang |
| Ersatzteile ETS 125/1 und ETS 150/1 |
Gruppe: Fahrgestell Tafel 1
Rahmen, Kippständer
nächste Tafel ;
Gruppenübersicht
|

| Bild-Nr. |
Ersatzteil-Nr. |
Bezeichnung |
Anzahl |
Bemerkung |
| 1 |
13-21.079 |
Rahmen |
1 |
|
| 2 |
13-21.178 |
Kippständer |
1 |
|
| 3 |
13-21.029 |
Anschlaggummi für Kippständer |
1 |
|
| 4 |
13-21.177 |
Zugfeder dazu |
1 |
|
| 10 |
13-21.175 |
Fußrastenrohr links |
1 |
|
| 11 |
13-21.150 |
Fußrastenrohr rechts |
1 |
|
| 12 |
13-21.005 |
Klemmschelle |
2 |
|
| 13 |
|
Sechskantschraube M 8x35 TGL 0-931-8 G |
2 |
|
| 14 |
|
Sechskantmutter M 8-5 S TGL 0-934 |
2 |
|
| 15 |
|
Federring B 8 TGL 7403 |
2 |
|
| 16 |
13-21.159 |
Träger für Regler und Zündspule |
1 |
|
| 17 |
13-21.084 |
Gummipolster für Kraftstoffbehälter hinten |
2 |
|
| 18 |
|
Zylinderkerbstift 5x32 TGL 0-1473-6 S |
1 |
|
| 19 |
13-29.018 |
Fußbremshebel vollst. |
1 |
|
| 20 |
13-29.022 |
Seilzug für Fußbremse |
1 |
|
| 21 |
13-29.006 |
Schutzkappe dazu |
1 |
Gummi |
| 22 |
01-29.317 |
Stellschraube zum Seilzug |
1 |
|
| 23 |
|
Rändelmutter M 8x1 TGL 39-285/6 dazu |
1 |
|
| 24 |
13-29.009 |
Fußrastengummi A TGL 39-291 |
2 |
|
| 25 |
|
Sechskantschraube für Motorbefestigung CM 8x45 TGL 0-931-8 G |
3 |
|
| 26 |
|
Sechskantmutter M 8 TGL 0-934-5 S |
3 |
|
| 27 |
|
Federring B 8 TGL 7403 |
3 |
|
| 28 |
|
Sechskantschraube für Schwingbolzenarretierung M 8x16 TGL
0-933-8 G |
2 |
|
| 29 |
|
Sechskantmutter BM 8 TGL 0-439-5 S |
2 |
|
Gruppe: Fahrgestell Tafel 2
Sattelträger, hintere Schwinge
nächste Tafel ;
Gruppenübersicht
|

| Bild-Nr. |
Ersatzteil-Nr. |
Bezeichnung |
Anzahl |
Bemerkung |
| 1 |
13-21.189 |
Sattelträger silberfarbig |
1 |
|
| 2 |
|
Sechskantschraube für Befestigung CM 10x100 TGL 0-931-8 G |
2 |
|
| 3 |
|
Sechskantmutter M 10-5 S TGL 0-934 |
2 |
|
| 4 |
|
Federscheibe 10 TGL 0-137 |
2 |
|
| 5 |
13-21.112 |
Befestigungsbügel für Verkleidung rechts |
1 |
|
| 6 |
13-21.155 |
Schwinge für Hinterrad |
1 |
|
| 7 |
13-21.118 |
Lagerbolzen für Schwinge |
1 |
|
| 8 |
13-21.132 |
Schutzkappe für Schwinge |
2 |
|
| 9 |
|
Stellring zur Schwinge TGL 39-443 |
1 |
|
| 10 |
13-21.164 |
Halter für Verkleidung rechts |
1 |
|
| 11 |
|
Flache Sechskantmutter M 18x1,5 TGL 0-936-5 S |
2 |
|
| 12 |
|
Kegelschmierkopf zum Lagerbolzen A 6 TGL 0-71412 |
1 |
|
| 13 |
|
Dichtring |
4 |
|
| 14 |
13-21.148 |
Sechskantschraube für Federbeinbefestigung unten CM 10x35 TGL
0-931-8 G |
2 |
|
| 15 |
|
Federring B 10 TGL 7403 |
2 |
|
| |
|
Scheibe dazu 10,5 TGL 0-9021-St |
2 |
|
| 16 |
|
Sechskantschraube für Federbeinbefestigung oben M 8x35 TGL
0-933-8 G |
2 |
|
| 17 |
00-18.131 |
Scheibe |
2 |
|
| 18 |
|
Sechskantschraube M 6x20 TGL 0-933-8 G |
3 |
|
| 19 |
|
Federring B 6 TGL 7403 |
3 |
|
| 20 |
|
Sechskantmutter M 6 |
3 |
|
| 21 |
13-27.059 |
Abdeckgummi für Sattelträger |
1 |
|
Gruppe: Fahrgestell Tafel 3
Träger für Vordergabel, Schwinge vorn
nächste Tafel ;
Gruppenübersicht
|
| Bild-Nr. |
Ersatzteil-Nr. |
Bezeichnung |
Anzahl |
Bemerkung |
| 1 |
13-22.158 |
Träger für Vordergabel |
1 |
|
| 2 |
13-22.078 |
Gummiunterlage für Vorderträger |
1 |
|
| 3 |
13-22.071 |
Schwinge für Vorderrad |
1 |
|
| 4 |
13-21.118 |
Lagerbolzen für Schwinge |
1 |
|
| 5 |
13-22.055 |
Schutzkappe für Schwinge vorn |
2 |
|
| 6 |
|
Stellring zur Schwinge TGL 39-443 |
1 |
|
| 7 |
|
Flache Sechskantmutter M 18x1,5 TGL 0-936-5 S |
2 |
|
| 8 |
|
Kegelschmierkopf zum Lagerbolzen A6 TGL 0-71412 |
1 |
|
| 9 |
13-21.148 |
Dichtring |
4 |
|
| 10 |
|
Sechskantschraube für Schwingbolzenarretierung M 8x25 TGL
0-933-8 G |
2 |
|
| 11 |
|
Sechskantmutter M 8 TGL 0-934-5 S |
2 |
|
| 12 |
|
Sechskantschraube für Federbeinbefestigung oben M 8x35 TGL
0-933-8 G |
2 |
|
| 13 |
00-18.131 |
Scheibe |
2 |
|
| 14 |
13-30.132 |
Lenksicherungsschloß LKS 63/III |
1 |
|
| 15 |
|
Sechskantschraube für Federbeinbefestigung unten rechts M 10x45
TGL 0-933-8 G |
1 |
|
| 16 |
|
Sechskantschraube für Federbeinbefestigung unten links CM 10x35
TGL 0-931-8 G |
1 |
|
| 17 |
|
Federring B 10 TGL 7403 |
2 |
|
| 18 |
13-24.016 |
Gegenhaltestück |
1 |
|
Gruppe: Fahrgestell Tafel 4
Lenker, Lenkerhabel, Seilzüge
nächste Tafel ;
Gruppenübersicht
|

| Bild-Nr. |
Ersatzteil-Nr. |
Bezeichnung |
Anzahl |
Bemerkung |
| 1 |
13-22.159 |
Lenker silberfarbig |
1 |
|
| |
01-22.292 |
Plakette für Lenker |
1 |
|
| 2 |
Nr. 370 R |
Handhebel für Bremse vollst. mit Stellschraube |
1 |
|
| 3 |
Nr. 370 L |
Handhebel für Kupplung vollst. mit Stellschraube |
1 |
|
| 4 |
Nr. 302 |
Blindgriff |
1 |
|
| 5 |
Nr. 300 |
Drehgriff vollst. einzügig mit kurzer Drehung |
1 |
|
| 6 |
13-29.017 |
Anschlagfeder dazu |
1 |
|
| 7 |
Nr. 475 |
Hebel für Startvergaser |
1 |
|
| 8 |
314 |
Distanzstück für Drehgriff |
1 |
|
| 9 |
13-22.134 |
Mutter für Steuerrohr |
1 |
|
| 9a |
13-22.133 |
Abdeckkappe |
1 |
|
| 10 |
13-22.058 |
Beilegscheibe auf Lenker |
1 |
|
| 11 |
|
Sechskantschraube M 8x60 TGL 0-933-8 G |
1 |
|
| 12 |
13-22.135 |
Distanzstück |
1 |
|
| 13 |
13-22.072 |
Konus |
1 |
|
| 14 |
05-22.042 |
Befestigungsmutter zum Steuerrohr |
1 |
|
| 15 |
13-22.007 |
Staubkappe |
1 |
|
| 16 |
05-22.148 |
Gabellaufring oben |
1 |
|
| 17 |
05-22.159 |
Gabellaufring unten |
1 |
|
| 18 |
05-22.147 |
Rahmenlaufring |
2 |
|
| 19 |
|
Stahlkugel 6,35 mm III TGL 15515 |
44 |
|
| 20 |
13-29.003 |
Seilzug für Kupplung A 1167x1022x127,5 TGL 39-285 |
1 |
|
| 21 |
13-29.007 |
Gummimuffe für Kupplungsseilzug |
1 |
|
| 22 |
|
Seilzug für Handbremse A 1105x937x150,5 TGL 39-285 |
1 |
|
| 23 |
|
Seilzug für Gasdrehgriff (Startvergaser) D 980x900x68 TGL
39-285 |
1 |
|
| 24 |
|
Seilzug für Startvergaser E/D 913x855x45 TGL 39-285 |
1 |
|
| |
05-48.058 |
Schutzkappe für Seilzug-Gasdrehgriff und Startvergaser |
2 |
|
| |
|
Rundring 8x2 TGL 6365, Seilzugverbindung |
1 |
|
Gruppe: Fahrgestell Tafel 5
Federbeine
nächste Tafel ;
Gruppenübersicht
|

| Bild-Nr. |
Ersatzteil-Nr. |
Bezeichnung |
Anzahl |
Bemerkung |
| 1 |
13-22.139 |
Federbein vorn ohne Schutzhülsen |
2 |
|
| |
13-22.077 |
Federbein vorn mit Schutzhülsen |
2 |
|
| 2 |
16-23.021 |
Federbein hinten gepaart, mit Schutzhülsen |
2 |
|
| |
16-23.023 |
Hintere Federbeine ohne Schutzhülsen, gepaart |
2 |
|
| 3 |
16-23.010 |
Untere Schutzhülse |
2 |
|
| 4 |
05-23.112 |
Führungsring |
2 |
|
| 5 |
13-22.152 |
Druckfeder für vorderes Federbein |
2 |
|
| |
|
Schutzhülsenausführung |
2 |
|
| 5 |
13-22.137 |
Druckfeder für Federbein vorn, verchromt |
2 |
|
| |
05-23.081 |
Druckfeder für hinteres Federbein |
2 |
|
| |
|
Schutzhülsenausführung |
2 |
|
| |
16-23.028 |
Druckfeder verchromt für Federbein hinten |
2 |
|
| 6 |
13-22.074 |
Federgeräuschdämpfer |
2 |
|
| 7 |
05-23.025 |
Obere Schutzhülse |
2 |
|
| 8 |
05-23.091 |
Stützringhälfte |
4 |
|
| 9 |
05-23.161 |
Gummipuffer oben |
2 |
|
| |
00-18.131 |
Scheibe |
2 |
|
| |
|
Sechskantschraube M 8x35 TGL 0-933-8 G |
1 |
|
| 10 |
678-390.407/07 |
Teleskopstoßdämpfer vollst. für Federbein vorn Type: A
22-120-56/8 MV |
2 |
nur paarw. austauschen |
| 11 |
678-390.420/07 |
Teleskopstoßdämpfer vollst. für Federbein hinten Type: A
22-100-88/8 MV |
2 |
|
| 12 |
7078-11:0.15/05 |
Gummipuffer unten |
1 |
|
| 13 |
7078-11:0.16/05 |
Gelenkbuchse |
1 |
|
| 14 |
16-22.037 |
Federstützring, Schutzhülsenausführung |
1 |
|
| 14 |
13-22.140 |
Federabstützring ohne Schutzhülse |
2 |
|
| 15 |
16-23.013 |
Verstellmuffe rechts mit Hebel |
1 |
|
| |
16-23.014 |
Verstellmuffe links mit Hebel |
1 |
|
| |
16-23.026 |
Verstellmuffe rechts ohne Schutzhülsen |
1 |
|
| |
16-23.027 |
Verstellmuffe links ohne Schutzhülsen |
1 |
|
| |
7078-57:0.05/05 |
Pufferring |
3 |
|
| |
|
Sicherungsring 19x1 TGL 0-472 |
1 |
|
| 16 |
|
Radialdichtring AC 10x19x8 BVF-N 4124 |
1 |
|
| 17-20 |
|
entfallen |
|
|
| 21 |
13-22.141 |
Flanschhülse vorn |
2 |
|
| |
13-22.138 |
Zentrierring |
4 |
|
| 21 |
13-23.046 |
Flanschhülse hinten |
2 |
|
Gruppe: Fahrgestell Tafel 6
Vorderrad, Radkörper, Bremse
nächste Tafel ;
Gruppenübersicht
|

| Bild-Nr. |
Ersatzteil-Nr. |
Bezeichnung |
Anzahl |
Bemerkung |
| 1 |
13-24.038 |
Vorderrad |
1 |
|
| 2 |
13-24.003 |
Radkörper |
1 |
|
| 3 |
|
Speiche A 149 TGL 39-491 |
36 |
|
| 4 |
|
Nippel M 4 |
36 |
|
| |
13-24.037 |
Tiefbettfelge 1,60x18 |
1 |
|
| |
|
Reifen 2,75x18 TGL 6498 |
11 |
|
| |
|
Schaluch 2,75x18 |
11 |
|
| |
|
Felgenband 25x18 |
11 |
|
| 5 |
13-24.026 |
Bremshebel |
1 |
|
| 6 |
01-24.315 |
Bremsbacken vollst. mit Belag |
2 |
|
| 7 |
13-24.019 |
Rückholfeder |
1 |
|
| 8 |
|
Sicherungsring 12 TGL 0-471 |
2 |
|
| 9 |
13-24.014 |
Radkörperdeckel |
1 |
|
| |
13-24.021 |
Radkörperdeckel poliert |
1 |
|
| 10 |
13-24.015 |
Achse |
1 |
|
| 11 |
00-18.156 |
Scheibe |
1 |
|
| 12 |
|
Sechskantmutter M 14x1,5 TGL 0-936-5 S |
1 |
|
| 13 |
13-24.005 |
Gegenhalter für Bremsbacken |
1 |
|
| |
13-24.044 |
Gegenhalter poliert |
1 |
|
| |
13-24.016 |
Gegenhaltestück |
1 |
|
| 14 |
01-24.306 |
Abstandshülse |
1 |
|
| 15 |
|
Rillenkugellager 6302 TGL 2981 15x42x13 |
22 |
|
| 16 |
01-24.314 |
Dichtring |
2 |
|
| |
|
1 werden nicht vom Werk geliefert |
|
|
| |
|
2 unbedingt Blechkäfig |
|
|
Gruppe: Fahrgestell Tafel 7
Hinterrad, Radkörper, Bremse
nächste Tafel ;
Gruppenübersicht
|

| Bild-Nr. |
Ersatzteil-Nr. |
Bezeichnung |
Anzahl |
Bemerkung |
| 1 |
13-25.002 |
Hinterrad |
1 |
|
| 2 |
13-25.005 |
Radkörper |
1 |
|
| 3 |
01-24.306 |
Abstandshülse |
1 |
|
| 4 |
|
Rillenkugellager 6302 TGL 2981 15x42x13 |
22 |
|
| 5 |
01-24.314 |
Dichtring |
1 |
|
| 6 |
|
Speiche A 149 |
36 |
|
| 7 |
|
Nippel M 4 TGL 39-491 |
36 |
|
| |
13-25.009 |
Tiefbettfelge 1,85 Bx18 |
1 |
|
| |
|
Reifen 3,00x18 TGL 6498 |
11 |
|
| |
|
Schlauch 3,00x18 |
11 |
|
| |
|
Felgenband 25x18 |
11 |
|
| 8 |
13-25.070 |
Bremshebel |
1 |
|
| |
01-25.252 |
Kontaktfeder |
1 |
|
| |
|
Senkkerbnagel 2,5x6 TGL 0-1477 |
2 |
|
| 9 |
01-25.377 |
Kontaktschraube |
1 |
|
| 10 |
13-25.031 |
Isolierbüchse für Schalter |
1 |
|
| 11 |
05-25.043 |
Isolierscheibe für Schalter |
1 |
|
| 12 |
|
Sechskantmutter M 5 TGL 0-934 |
2 |
|
| |
13-30.204 |
Kontaktfahne für Bremslichtschalter |
1 |
|
| 13 |
01-24.315 |
Bremsbacken vollst. mit Belag |
2 |
|
| 14 |
13-24.019 |
Rückholfeder |
1 |
|
| 15 |
01-25.229 |
Achse |
1 |
|
| |
00-18.156 |
Scheibe zur Achse |
1 |
|
| 16 |
|
Sicherungsring 12 TGL 0-471 |
2 |
|
| 17 |
22-25.006 |
Distanzhülse |
1 |
|
| 18 |
13-25.067 |
Gegenhalter vollst. |
1 |
|
| |
13-25.086 |
Gegenhalter poliert |
1 |
|
| 19 |
13-25.084 |
Zugstrebe |
1 |
|
| 20 |
|
Sechskantschraube M 8x25 TGL 0-933-8 G |
1 |
|
| 21 |
|
Sechskantschraube M 8x30 TGL 0-933-8 G |
1 |
|
| 22 |
|
entfällt |
|
|
| 23 |
|
Sechskantmutter M 8 TGL 0-934-5 S |
3 |
|
| |
|
1 werden nicht vom Werk geliefert |
|
|
| |
|
2 unbedingt Blechkäfig |
|
|
Gruppe: Fahrgestell Tafel 8
Hinterrad- und Tacho-Antrieb
nächste Tafel ;
Gruppenübersicht
|

| Bild-Nr. |
Ersatzteil-Nr. |
Bezeichnung |
Anzahl |
Bemerkung |
| 1 |
13-25.041 |
Kettenabdeckung |
1 |
|
| |
13-25.072 |
Distanzscheibe dazu |
1 |
|
| 2 |
13-25.022 |
Dichtungsstück |
1 |
|
| 3 |
13-25.038 |
Ritzel für Tachometer vollst. |
1 |
|
| 4 |
13-25.043 |
Lagerbüchse |
1 |
|
| 5 |
|
Senkschraube BM 6x8 TGL 5683-4.8 |
1 |
|
| 6 |
13-25.071 |
Mitnehmer mit Zahnkranz |
1 |
|
| 7 |
01-25.232 |
Schraubenrad für Tacho-Antrieb |
1 |
|
| 8 |
01-25.315 |
Hakensprengring |
1 |
|
| 9 |
05-25.030 |
Dämpfungsgummi |
1 |
|
| 10 |
|
Rillenkugellager 6004 TGL 2981 20x42x12 |
11 |
|
| 11 |
00-03.019 |
Sprengring |
1 |
|
| 12 |
13-25.025 |
Flanschbolzen |
1 |
|
| 13 |
00-01.087 |
Abdeckscheibe |
1 |
|
| 14 |
05-25.122 |
Kettenspanner |
2 |
|
| 15 |
|
Scheibe 6,4 TGL 0-125-St |
2 |
|
| 16 |
|
Sechskantmutter M 6 TGL 0-934-5 S |
4 |
|
| 17 |
|
Federscheibe 14 TGL 0-137 |
1 |
|
| 18 |
|
Sechskantmutter M 14x1,5 TGL 0-936-5 S |
1 |
|
| 19 |
13-28.014 |
Kettenschlauch |
2 |
|
| 20 |
|
Rollenkette mit Steckglied 1x12,7x6,4x120 TGL 11796 |
1 |
|
| 21 |
|
Steckglied 1 D 12,7x6,4 TGL 11796 |
1 |
|
| |
|
1 unbedingt Blechkäfig |
|
|
Gruppe: Fahrgestell Tafel 9
Kraftstoffbehälter, Filterhahn
nächste Tafel ;
Gruppenübersicht
|

| Bild-Nr. |
Ersatzteil-Nr. |
Bezeichnung |
Anzahl |
Bemerkung |
| 1 |
13-27.185 |
Kraftstoffbehälter |
1 |
|
| 2 |
13-27.073 |
Kniekissen links |
1 |
|
| |
13-27.074 |
Kniekissen rechts |
1 |
|
| |
19-27.017 |
Abzeichen links |
1 |
|
| |
19-27.018 |
Abzeichen rechts |
1 |
|
| 3 |
00-13.073 |
Tankverschluß |
1 |
|
| 4 |
00-13.093 |
Dichtung |
1 |
|
| 5 |
13-27.051 |
Filterhahn |
1 |
|
| |
|
Dichtring Vulkanfiber hart 15x10,5x1 mm |
11 |
|
| |
|
Filterhahnhebel |
11 |
|
| |
|
Tankanschlußmutter M 16x1 rechts/links |
11 |
|
| |
|
Zylinderschraube BM 3,5x8 TGL 0-84 |
21 |
|
| |
|
Sieb für Filterhahn oben 12x70x10 mm |
11 |
|
| |
|
Filterhahntopf |
11 |
|
| |
|
Siebträger mit Sieb 10x13 mm im Filter |
11 |
|
| |
|
Gummimembrane 3,0 mm Qual. 646.7 |
11 |
|
| |
|
Gummidichtung für FH-Topf 20x25x3 NMK 519.7 |
11 |
|
| |
|
Federplatte 1x24x37 |
11 |
|
| |
|
Dichtring für Tankanschluß C 10x14 TGL 0-7603 |
1 |
|
| 6 |
|
Federscheibe 8 TGL 0-137 |
2 |
|
| 7 |
|
Sechskantschraube für Kraftstoffbehälterbefestigung M 8x12 TGL
0-933-8 G |
2 |
|
| 8 |
|
Kraftstoffschlauch für Vergaseranschluß 5x8,2x180 |
1 |
Meterw. |
| 9 |
13-27.095 |
Auflagekörper für Kraftstoffbehälter |
2 |
|
| 10 |
13-27.170 |
Stützhülse |
1 |
|
| |
|
1 Einzelteile für Filterhahn |
|
|
Gruppe: Fahrgestell Tafel 10
Auspuffanlage
nächste Tafel ;
Gruppenübersicht
|

| Bild-Nr. |
Ersatzteil-Nr. |
Bezeichnung |
Anzahl |
Bemerkung |
| 1 |
13-27.113 |
Auspufftopf |
1 |
|
| 2 |
13-27.132 |
Auspuffrohr |
1 |
|
| 3 |
13-27.157 |
Befestigungsmutter zum Auspuffrohr |
1 |
|
| 4 |
12-27.006 |
Schelle zum Auspuff |
1 |
|
| |
|
Sechskantschraube M 8x30 TGL 0-933-8.8 |
1 |
|
| |
|
Sechskantmutter M 8 TGL 0-934 |
1 |
|
| |
|
Federring B 8 TGL 7403 |
1 |
|
| 5 |
01-27.307 |
Schelle zum Auspufftopf mit Schraube, Mutter und Federring |
1 |
|
| |
|
Sechskantschraube M 6x20 TGL 0-933-8.8 |
1 |
|
| |
|
Sechskantmutter M 6 TGL 0-934 |
1 |
|
| |
|
Federring B 6 TGL 7403 |
1 |
|
| |
|
Scheibe 6,4 TGL 0-125 St |
1 |
|
| 6 |
13-27.156 |
Auspuffbefestigungsstrebe am Motor |
1 |
|
| 7 |
13-27.135 |
Vordere Befestigungsstrebe zum Auspuff |
1 |
|
| 8 |
13-27.133 |
Hintere Befestigungsstrebe zum Auspuff |
1 |
|
| |
|
Sechskantschraube M 8x25 TGL 0-933-8.8 dazu |
2 |
|
| |
|
Federring B 8 TGL 7403 dazu |
2 |
|
| |
|
Sechskantmutter M 8 TGL 0-934-6 |
2 |
|
Gruppe: Fahrgestell Tafel 11
Kotflügel
nächste Tafel ;
Gruppenübersicht
|

| Bild-Nr. |
Ersatzteil-Nr. |
Bezeichnung |
Anzahl |
Bemerkung |
| 1 |
13-28.154 |
Vorderrad-Kotflügel silberfarbig |
1 |
|
| 2 |
|
Sechskantschraube für Kotflügelbefestigung M 8x16 TGL 0-933-8
G |
3 |
|
| 3 |
|
Federscheibe 8 TGL 0-137 |
3 |
|
| 4 |
13-28.066 |
Vordere Hinterrad-Kotflügel |
1 |
|
| 5 |
13-28.125 |
Kotflügel-Endstück silberfarbig |
1 |
|
| |
|
Sechskantschraube M 6x16 TGL 0-933 dazu |
2 |
|
| |
13-28.158 |
Gummiunterlage 280 mm lang für Kotflügel-Endstück |
1 |
Meterw. |
| 6 |
|
Sechskantschraube für Befestigung am Rahmen M 6x20 TGL
0-933-8.8 |
1 |
|
| 7 |
|
Federring B 6 TGL 7403 |
1 |
|
| 8 |
|
Scheibe 6,4 TGL 0-9021-St |
1 |
|
| 9 |
|
Sechskantschraube für Befestigung am Sattelträger M 6x20 TGL
0-933-8 G |
2 |
|
| 10 |
|
Scheibe 6,4 TGL 0-9021-St |
4 |
|
| 11 |
|
Federring B 6 TGL 7403 |
4 |
|
| 12 |
|
Sechskantmutter M 6 TGL 0-934 |
4 |
|
| |
|
Sechskantschraube M 8x18 TGL 0-933 |
1 |
|
| |
|
Sechskantmutter M 8 TGL 0-934 |
1 |
|
| |
|
Federscheibe 8 TGL 0-137 |
1 |
|
| |
13-28.103 |
Typabzeichen ES 125/1 |
1 |
|
| |
13-28.104 |
Typabzeichen ES 150/1 |
1 |
|
| |
13-30.202 |
Kennzeichenhalter-Verstärkungsschiene |
1 |
|
| |
|
Kennzeichenschild C TGL 15653 |
1 |
|
| 13 |
|
Linsenschraube für Nummernschildbefestigung M 5x12 TGL 5687-4
S |
2 |
|
| 14 |
|
Federring B 5 TGL 7403 |
5 |
|
| 15 |
|
Sechskantmutter M 5 TGL 0-934-5 S |
5 |
|
Gruppe: Fahrgestell Tafel 12
Verkleidung, Ansauggeräuschdämpfer, Luftfilter
nächste Tafel ;
Gruppenübersicht
| 
| Bild-Nr. |
Ersatzteil-Nr. |
Bezeichnung |
Anzahl |
Bemerkung |
| 1 |
13-28.145 |
Verkleidung links |
1 |
|
| 2 |
13-28.143 |
Verkleidung rechts |
1 |
|
| 3 |
02-48.071 |
Verschlußstopfen für Lackabflußbohrung |
1 |
|
| 4 |
13-28.144 |
Deckel für Werkzeugbehälter |
1 |
|
| 5 |
13-28.069 |
Gummiring dazu |
1 |
|
| |
|
Sechskantschraube zur Befestigung der Verkleidung M 6x10 TGL
0-933-8 G |
6 |
|
| |
|
Federscheibe 6 TGL 0-137 |
6 |
|
| 6 |
13-28.077 |
Sicherheitsschloß für Werkzeugbehälterdeckel |
1 |
|
| 7 |
13-28.090 |
Sicherungsblech dazu |
1 |
|
| 8 |
|
Trockenluftfilter 100x102 TGL 39-474 |
1 |
|
| 9 |
13-28.094 |
Abdeckung zum Luftfilter |
1 |
|
| |
|
Sechskantmutter M 6 TGL 0-934-5 S zur Luftfilterbefestigung |
2 |
|
| |
|
Scheibe 6,4 TGL 0-125 St dazu |
1 |
|
| 10 |
13-28.068 |
Gummikeder zur Abdeckung 215 mm lang |
1 |
Meterw. |
| 11 |
13-28.072 |
Ansaugkrümmer zum Vergaser |
1 |
Gummi |
| 12 |
13-28.061 |
Klemmring zur Befestigung des Krümmers |
1 |
|
| |
|
Zylinderschraube AM 4x18 TGL 0-84 dazu |
1 |
|
| |
|
Sechskantmutter M 4 TGL 0-934-5 S |
1 |
|
| |
00-06.051 |
Spannschraube für Luftfilter |
1 |
|
| 13 |
|
entfällt |
|
|
Gruppe: Fahrgestell Tafel 13
Sättel, Werkzeug, Zubehör
nächste Tafel ;
Gruppenübersicht
|

| Bild-Nr. |
Ersatzteil-Nr. |
Bezeichnung |
Anzahl |
Bemerkung |
| |
13-31.150 |
Fahrersattel |
1 |
|
| |
13-31.100 |
Soziussattel |
1 |
|
| |
13-31.114 |
Haltegriff |
1 |
|
| |
|
Sechskantschraube für Sattel- und Soziusbefestigung M 8x16 TGL
0-933-8 G |
4 |
|
| |
|
Federscheibe 8 TGL 0-137 |
4 |
|
| |
|
Sechskantschraube für Haltegriffbefestigung M 8x20 TGL 0-933-8
G |
2 |
|
| |
|
Federring B 8 TGL 7403 |
2 |
|
| 1 |
13-31.270 |
Sitzbank vollständig |
1 |
|
| 2 |
|
Befestigungsplatte für Sitzbank |
11 |
|
| 3 |
|
Sechskantschraube für Sitzbankfestigung M 8x16 TGL 0-933-8 G |
4 |
|
| 4 |
|
Federring B 8 TGL 7403 |
4 |
|
| 5 |
|
Scheibe 8,4 TGL 0-125 |
4 |
|
| 6 |
|
Luftpumpe B 285 TGL 7640 |
1 |
|
| 7 |
31031 L |
Rückblickspiegel mit Klemmschellenbefestigung |
1 |
|
| 8 |
13-31.955 |
Soziusfußraste |
2 |
|
| 9 |
|
Sechskantschraube M 10x16 TGL 0-933-8 G |
2 |
|
| 10 |
|
Federscheibe 10 TGL 0-137 |
2 |
|
| |
13-30.279 |
Werkzeugsatz besteht aus: |
1 |
|
| 11 |
|
Einstellehre A 0,6/0,3 TGL 200-3039 |
1 |
|
| 12 |
|
Schraubendreher G TGL 48-73503-C 45 |
1 |
|
| 13 |
|
Schraubendreher A 0,4x2,3x30 TGL 48-73503-C 45 |
1 |
|
| 14 |
|
Doppelmaulschlüssel 8x10 TGL 48-73109 |
1 |
|
| 15 |
|
Doppelmaulschlüssel 9x11 TGL 48-73109 |
1 |
|
| 16 |
|
Doppelmaulschlüssel 12x13 TGL 48-73109 |
1 |
|
| 17 |
|
Doppelmaulschlüssel 14x17 TGL 48-73109 |
1 |
|
| 18 |
|
Doppelmaulschlüssel 19x22 TGL 48-73109 |
1 |
|
| 19 |
00-04.094 |
Zylinderkopfschlüssel |
1 |
|
| 20 |
00-04.227 |
Zündkerzenschlüssel |
1 |
|
| 21 |
|
Kombinationszange 160 TGL 4694 |
1 |
|
| 22 |
00-04.049 |
Bolzen für Zylinderkopfschlüssel |
1 |
|
| 23 |
|
Reifenmontierhebel A TGL 39-442 |
1 |
|
| 24 |
|
Reifenmontierhebel B TGL 39-442 |
1 |
|
| 25 |
|
Büchse für Reifenreparatur |
1 |
|
| 26 |
|
Werkzeugtasche A MZS 453 |
1 |
|
| 27 |
8706.10-000:5(5) |
Heber für Scheinwerfereinsatz |
1 |
|
| 28 |
|
Kuponband für Ersatzschlauchbefestigung 100x20 mm |
1 |
|
| |
|
1 kein Ersatzteil |
|
|
Gruppe: Elektrische Ausrüstung Tafel 14
Lichtmaschine, Unterbrecher, Lenkerblinkleuchte
nächste Tafel ;
Gruppenübersicht
|

| Bild-Nr. |
Ersatzteil-Nr. |
Bezeichnung |
Anzahl |
Bemerkung |
| |
8016.4/21 |
Gleichstromlichtmaschine LMZR 6/60 |
11 |
|
| 1 |
8016.4/21-2 |
Polgehäuse - Haltekappe |
1 |
|
| 2 |
8016.4/21-1 |
Anker |
1 |
|
| 3 |
8019.2 |
Nocken |
1 |
|
| 4 |
|
*Zylinderschraube für Haltekappenbefestigung CM 5x75
TGL 0-84-5 S |
2 |
|
| 5 |
|
*Federscheibe 5 TGL 0-137 |
2 |
|
| 6 |
11-49.012 |
*Sechskantschraube für Ankerbefestigung |
1 |
|
| 7 |
|
*Federring B 8 TGL 7403 |
1 |
|
| 8 |
8320.3/4 |
Unterbrecher |
1 |
|
| |
8320.3/3-001 |
Spezialeinstellplatte |
1 |
|
| |
8016.4/2-200:1 |
Stromschiene |
1 |
|
| 9 |
8016.1-200:08 |
Kondensator |
1 |
|
| 10 |
A JKAN 134 |
Kondensatorschelle |
1 |
|
| 11 |
8016.4-250/2 |
Vorschaltwiderstand |
1 |
|
| |
8329.1 |
Filzwischer |
1 |
|
| 12 |
13-30.140 |
Kabelbaum |
1 |
|
| |
05-30.031 |
*Gummimuffe im Sattelträger dazu |
1 |
|
| 13 |
13-30.147 |
Maschinenkabel |
1 |
|
| 14 |
01-30.252 |
*Gummimuffe dazu |
1 |
|
| |
8016.1-202 |
Kohlebürste (minus und plus) |
2 |
|
| 15 |
8580.26 |
Lenkerblinkleuchte |
2 |
|
| 16 |
|
*Befestigungsschraube M 5x10 TGL 5687 |
2 |
|
| |
|
Glühlampe E 6 Volt 18 Watt TGL 10833 |
2 |
|
| 17 |
8580.26-000:1 |
Lichtaustrittscheibe hinten zur Blinkleuchte |
1 |
|
| |
8580.26-200 |
Lichtaustrittscheibe vorn zur Blinkleuchte |
1 |
|
| |
8580.10/4-100 |
Grundkörper dazu |
1 |
|
| |
|
*Zylinderschraube für Massekabel zur Blinkleuchte M
4x5 TGL 0-84 |
1 |
|
| |
|
*Federring B 4 TGL 7403 |
1 |
|
| 18 |
13-30.133 |
*Gummitülle für Lenkerkabel |
2 |
|
| 19 |
8606.7 |
Blinkschalter |
1 |
|
| 20 |
|
*Linsenschraube AM 4x28 TGL 0-84 |
2 |
|
| 21 |
|
*Federring B 4 TGL 7403 |
2 |
|
| 22 |
|
*Sechskantmutter M 4 TGL 0-934 |
2 |
|
| |
|
Sämtliche Ersatzteile dieser Tafel, bis auf die mit einem
* gekennzeichneten, sind durch Fahrzeugelektrik Thalheim
(Erzgeb.) zu beziehen. |
|
|
| |
|
1 Als Ersatzteil nicht lieferbar! |
|
|
Gruppe: Elektrische Ausrüstung Tafel 15
Batterie, Regler, Zündspule, Bremsschlußkennzeichenleuchte,
Signalhorn
nächste Tafel ;
Gruppenübersicht
|

| Bild-Nr. |
Ersatzteil-Nr. |
Bezeichnung |
Anzahl |
Bemerkung |
| 1 |
|
*Bleibatterie 6 V 12 Ah TGL 10241 |
1 |
|
| 2 |
|
*Zylinderschraube M 5x15 TGL 0-84 |
2 |
|
| 3 |
|
*Unterlegscheibe 5,3 TGL 0-125 St |
2 |
|
| 4 |
|
*Federring B 5 TGL 7403 |
2 |
|
| 5 |
|
*Sechskantmutter M 5 TGL 0-934 |
2 |
|
| 6 |
01-30.232 |
*Spannband vollst. |
1 |
|
| 7 |
13-30.177 |
*Batterieunterlage |
1 |
|
| 8 |
05-30.187 |
*Pluskabel für Batterie |
1 |
Meterw. |
| 9 |
16-30.060 |
*Minuskabel für Batterie |
1 |
Meterw. |
| 10 |
8106.7 |
Reglerschalter RSC 60/6 V |
1 |
|
| 11 |
|
*Zylinderschraube M 6x8 TGL 0-84-5 dazu |
3 |
|
| |
|
*Federring B 6 TGL 7403 |
3 |
|
| 12 |
|
*Scheibe 6,4 TGL 0-125 St |
1 |
|
| 13 |
8811.13/2-1 |
Sicherungssockel |
1 |
|
| 14 |
|
*Zylinderschraube M 5x10 TGL 0-84 dazu |
2 |
|
| 15 |
|
entfällt |
|
|
| 16 |
|
Schmelzeinsatz 15 TGL 11135 15 Amp. |
2 |
|
| 17 |
8351.1/2 |
Zündspule 6 V |
1 |
|
| 18 |
01-30.251 |
*Gummischutztülle |
1 |
|
| 19 |
8351.1/1-000:1 |
Schelle für Zündspule |
1 |
|
| 20 |
|
*Sechskantschraube M 6x16 TGL 0-933 dazu |
2 |
|
| 21 |
|
*Sechskantmutter M 6 TGL 0-934 |
2 |
|
| 22 |
|
*Federring B 6 TGL 7403 |
2 |
|
| 23 |
8626.13 |
Abblendschalter mit Lichthupe |
1 |
|
| 24 |
|
*Linsenschraube AM 4x28 TGL 0-85 dazu |
2 |
|
| 25 |
|
*Federring B 4 TGL 7403 |
2 |
|
| 26 |
|
*Sechskantmutter M 4 TGL 0-934 |
2 |
|
| 27 |
8411.12/2 |
Signalhorn |
1 |
|
| 28 |
|
*Sechskantmutter M 8 TGL 0-934 dazu |
1 |
|
| 29 |
|
*Federscheibe 8 TGL 0-137 |
1 |
|
| 30 |
8522.7 F |
Bremsschlußkennzeichenleuchte |
1 |
|
| 31 |
|
Glühlampe für Nummernschildbeleuchtung E 6 V 5 W TGL 10833 |
1 |
|
| 32 |
|
Glühlampe für Stopplicht E 6 V 18 W TGL 10833 |
1 |
|
| 33 |
|
*Kabelband 130 ETW-N 60507 |
2 |
|
| |
|
*Kabelbandknopf ETW-N 60507 |
2 |
|
| |
13-30.204 |
*Kontaktfahne für Bremslichtschalter |
1 |
|
| |
|
Flachsteckhülse A 6,3 TGL 200-3854 |
1 |
|
| |
13-30.205 |
*Isolierhülse dazu |
1 |
|
| 34 |
|
Zündkabel |
1 |
Meterw. |
| |
8825.1 |
Entstörstecker |
1 |
|
| 35 |
|
*Kabel für Leergangschalter 0,75 |
1 |
Meterw. |
| 36 |
02-48.008 |
*Gummistopfen zum Leerganganzeigeschalter |
1 |
|
| 37 |
05-30.191 |
*Reglerkabel (51) |
1 |
Meterw. |
| |
16-30.059 |
*Reglerkabel (31) |
1 |
Meterw. |
| |
13-30.170 |
*Abblendkabel |
1 |
Meterw. |
| 38 |
25066.1 |
Buchsenklemme (Lüsterklemme) M 2,5 TGL 57-70 |
1 |
|
| 39 |
13-28.057 |
*Gummitülle für Zündkabel an linker Verkleidung |
1 |
|
| |
|
Sämtliche Ersatzteile dieser Tafel, bis auf die mit einem
* gekennzeichneten, sind durch Fahrzeugelektrik Thalheim
(Erzgeb.) zu beziehen. |
|
|
Gruppe: Elektrische Ausrüstung Tafel 16
Scheinwerfer, Glühlampen, Tachometer
nächste Tafel ;
Gruppenübersicht
|

| Bild-Nr. |
Ersatzteil-Nr. |
Bezeichnung |
Anzahl |
Bemerkung |
| |
8706.13/6 |
Scheinwerfer rot |
1 |
|
| |
8706.13/8 |
Scheinwerfer gelb |
|
|
| |
8706.13/9 |
Scheinwerfer blau |
|
|
| 1 |
8706.13-100/3 |
Scheinwerfergehäuse |
1 |
|
| 2 |
|
entfällt |
|
|
| 3 |
13-30.119 |
*Gummiplatte für Kabeldurchführung |
1 |
|
| 4 |
|
*Sechskantschraube M 6x25 TGL 0-931-8 G zur
Scheinwerferbefestigung oben |
1 |
|
| 5 |
13-30.092 |
*Abstandshülse |
1 |
|
| 6 |
|
*Scheibe 6,4 TGL 0-9021-St |
1 |
|
| 7 |
|
*Federring B 6 TGL 7403 |
1 |
|
| 8 |
|
*Sechskantschraube für Scheinwerferbefestigung M 8x16
TGL 0-933-8 G unten |
1 |
|
| 9 |
|
*Federring B 8 TGL 7403 |
1 |
|
| 10 |
|
*Scheibe 8,4 TGL 0-125-St |
1 |
|
| 11 |
13-30.162 |
*Gummikeder, links und rechts für
Scheinwerferanschluß |
2 |
|
| 12 |
8706.7-301/1 |
Streuscheibe (Glas) 136 TGL 71-1017 mit Reflektor |
1 |
|
| 13 |
8706.7-200:1/2 |
Blendrahmen |
1 |
|
| 14 |
|
*Zylinderschraube AM 4x35 TGL 0-84 dazu |
1 |
|
| 15 |
8526.5-200:4 |
*Gummischeibe |
2 |
|
| 16 |
|
*Scheibe 4,3 TGL 0-125 St |
1 |
|
| 17 |
|
Glühlampe A 6 V 45/40 W TGL 11413 |
1 |
|
| 18 |
|
Glühlampe D 6 V 4 W TGL 10833 |
1 |
|
| 19 |
8704.7-3 |
Anschlußstück A TGL 71-1019 |
12 |
|
| 20 |
8709.1/2-2 |
Glühlampenhalterung A TGL 200-4511 |
12 |
|
| 21 |
|
*Zylinderschraube BM 4x6 TGL 0-84 |
1 |
|
| 22 |
|
*Zylinderschraube M 4x8 TGL 0-84 |
3 |
|
| 23 |
8626.1/8 |
Zündlichtschalter |
11 |
|
| 24 |
8706.13-120 |
Zündlichtschalterabdeckung |
11 |
|
| 25 |
|
entfällt |
|
|
| 26 |
8629.2 |
Zündschlüssel |
11 |
|
| 27 |
91.0010 |
*Segment-Tachometer Wegdrehzahl 1 mit Glühlampen für
Gang- und Ladekontrolle und Tachobeleuchtung |
1 |
|
| 28 |
13-30.013 |
*Antriebsspirale für Tachometer |
1 |
|
| 29 |
13-30.142 |
*Verbindungskabel für Tachobeleuchtung |
1 |
Meterw. |
| |
13-30.144 |
*Zuführungskabel für Kontrolleuchten im Tacho |
1 |
Meterw. |
| 30 |
8581.6 |
Blinkgeber 1x18 W/6 V |
1 |
|
| |
22-34.026 |
*Blinkgebertasche |
1 |
|
| 33 |
22-34.030 |
*Kabel vom Blinkgeber zur Blinkgebersicherung |
1 |
Meterw. |
| |
8819.1 |
Sicherungshülse |
1 |
|
| |
|
Schmelzeinsatz 4 TGL 11135 4 Amp. |
1 |
|
| |
|
Sämtliche Ersatzteile dieser Tafel, bis auf die mit einem
* gekennzeichneten, sind durch Fahrzeugelektrik Thalheim
(Erzgeb.) zu beziehen. |
|
|
| |
|
1 Lieferer: Firma Elze u. Meyer, Wilsdruff |
|
|
| |
|
2 Lieferer: Kombinat VEB FEK Ruhla, Werk Ruhla I |
|
|
Gruppe: Motor Tafel 17
Gehäuse
nächste Tafel ;
Gruppenübersicht
|

| Bild-Nr. |
Ersatzteil-Nr. |
Bezeichnung |
Anzahl |
Bemerkung |
| 1 |
11-41.052 |
Gehäuse vollst. |
1 |
|
| 2 |
11-41.017 |
Büchse für Vorgelegewelle |
1 |
|
| 3 |
|
Zylinderstift 6 m 6x20 TGL 0-7 |
2 |
|
| 4 |
05-41.002 |
Paßhülse für Gehäuse |
2 |
|
| 5 |
00-03.014 |
Sprengring für Kupplungswelle |
1 |
|
| 6 |
|
Sicherungsring für Vorgelegewelle 32 TGL 0-472 |
1 |
|
| 7 |
12-41.020 |
Ölablaßschraube - Magnetfilter |
1 |
|
| 8 |
|
Dichtung C 18x22 TGL 0-7603 |
1 |
|
| 9 |
|
Sechskantschraube für Ölablaß aus Kupplungsraum M 8x12 TGL
0-933-5 S |
1 |
|
| 10 |
|
Dichtung C 8x14 TGL 0-7603 |
1 |
|
| 11 |
|
Verschlußschraube M 14x1,5 TGL 0-7604 |
1 |
|
| 12 |
11-41.026 |
Verschlußblech |
1 |
|
| 13 |
|
Wellendichtring D 25x35x7 TGL 16454 WS 1,018 |
1 |
|
| 14 |
|
Senkschraube BM 4x10 TGL 5683 |
5 |
|
| 15 |
11-41.027 |
Dichtung für Verschlußblech |
1 |
|
| 16 |
|
Zylinderschraube für Gehäuse BM 6x20 TGL 0-84-5 S |
6 |
|
| 17 |
|
Zylinderschraube für Gehäuse CM 6x50 TGL 0-84-5 S |
7 |
|
| 18 |
|
Zylinderschraube für Gehäuse CM 6x65 TGL 0-84-5 S |
1 |
|
| 19 |
|
Dichtring C 6x10 TGL 0-7603 |
1 |
|
| 20 |
|
Zylinderkerbstift für Lichtmaschinenarretierung 2,5x10 TGL
0-1473 |
1 |
|
| 21 |
11-41.018 |
Verschlußstopfen zur Gehäusehälfte rechts |
1 |
|
| 22 |
12-41.015 |
Kupplungsdeckel |
1 |
|
| |
12-41.018 |
Kupplungsdeckel poliert |
1 |
|
| 23 |
11-41.019 |
Dichtung dazu |
1 |
|
| 24 |
|
Zylinderschraube CM 6x70 TGL 0-84-5 S |
2 |
|
| 25 |
|
Zylinderschraube CM 6x85 TGL 0-84-5 S |
2 |
|
| 26 |
|
Dichtring C 6x10 TGL 0-7603 |
4 |
|
| 27 |
|
Zylinderschraube für Ölstandskontrolle BM 6x10 TGL 0-84-5 S |
1 |
|
| 28 |
|
Dichtring hierzu C 6x10 TGL 0-7603 |
1 |
|
| 29 |
11-41.048 |
Lichtmaschinendeckel |
1 |
|
| |
11-41.049 |
Lichtmaschinendeckel poliert |
1 |
|
| 30 |
|
Kegelschmierkopf A 6 TGL 0-71412 |
1 |
|
| 31 |
|
Steckkerbstift 4x12 TGL 0-1474 |
2 |
|
| 32 |
|
Zylinderschraube CM 6x50 TGL 0-84-5 S |
1 |
|
| 33 |
|
Zylinderschraube CM 6x60 TGL 0-84-5 S |
1 |
|
| |
01-41.004 |
Paßhülse |
1 |
|
| 34 |
11-41.046 |
Abschlußkappe für Lichtmaschinendeckel |
1 |
|
| |
11-41.056 |
Abschlußkappe poliert |
1 |
|
| 32 |
|
Zylinderschraube dazu CM 6x50 TGL 0-84-5 S |
1 |
|
| 35 |
|
Rundring für Kickstarterwelle 20x2 TGL 6365 WS 2,057 |
1 |
|
Gruppe: Motor Tafel 18
Zylinder, Kolben, Kurbelwelle
nächste Tafel ;
Gruppenübersicht
|

| Bild-Nr. |
Ersatzteil-Nr. |
Bezeichnung |
Anzahl |
Bemerkung |
| |
12-40.018 |
Motor MM 125/2 vollst. (mit Startvergaser, Kickstarter,
Fußschalthebel, Zündkerze) |
1 |
ES 125/1 |
| |
14-40.012 |
Motor MM 150/2 vollst. (mit Startvergaser, Kickstarter,
Fußschalthebel, Zündkerze) |
1 |
|
| 1 |
12-42.022 |
Zylinderkörper 52 ø mit Dämpfungsgummi |
1 |
ES 125/1 |
| |
14-42.026 |
Zylinderkörper 56 ø mit Dämpfungsgummi |
1 |
|
| 2 |
|
Stiftschraube für Zylinderbefestigung M 6x125 TGL 0-940-10 K |
4 |
|
| 3 |
|
Sechskantschraube für Ansaugstutzenbefestigung M 6x25 TGL
0-933-8 G |
2 |
|
| 4 |
11-42.005 |
Zylinderfußdichtung |
1 |
|
| 5 |
12-42.023 |
Zylinderdeckel mit Dämpfungsgummischlauch |
1 |
ES 125/1 |
| |
14-42.027 |
Zylinderdeckel mit Dämpfungsgummischlauch |
1 |
|
| |
14-42.029 |
Zylinderdeckel (Dänemark) |
1 |
|
| 6 |
|
Mutter M 6 TGL 0-934-8 G |
4 |
|
| 7 |
|
Scheibe 6,4 TGL 0-125-St |
4 |
|
| 8 |
12-42.021 |
Ansaugstutzen |
1 |
ES 125/1 |
| |
14-42.025 |
Ansaugstutzen |
1 |
|
| 9 |
11-42.009 |
Isolierflansch zum Ansaugstutzen |
1 |
|
| 10 |
11-42.010 |
Dichtung zum Ansaugstutzen |
2 |
|
| 11 |
|
entfällt |
|
|
| 12 |
|
Federscheibe 6 TGL 0-137 |
2 |
|
| 13 |
14-43.000 |
Kurbelwelle vollst. (ohne Lager) |
1 |
|
| 14 |
11-35.015 |
Büchse für Pleuelstange |
1 |
|
| 15 |
|
Scheibenfeder 4x5 TGL 9499 |
2 |
|
| 16 |
|
Rillenkugellager 6303 C 4 f TGL 2981 17x47x14, Polyamidkäfig |
3 |
|
| 17 |
|
Wellendichtring D 22x47x7 WS 1,028 |
1 |
|
| 18 |
|
entfällt |
|
|
| 19 |
|
Wellendichtring D 22x47x7 |
1 |
|
| 20 |
00-18.168 bis 171 |
Ausgleichscheibe 0,1; 0,2; 0,3; 0,5 |
n.Bed. |
|
| |
52.3 |
Kolben vollst. 52 ø |
1 |
|
| |
52.3 |
Kolben vollst. 52,50 ø |
1 |
|
| |
52.3 |
Kolben vollst. 53 ø |
1 |
|
| |
52.3 |
Kolben vollst. 53,50 ø |
1 |
|
| |
52.3 |
Kolben vollst. 54 ø |
1 |
|
| |
|
Kolbenring (Zweitakt) Z |
|
ES 125/1 |
| 21a |
|
Kolbenring Z 52x2 |
2 |
|
| |
|
Kolbenring Z 52,50x2 |
2 |
|
| |
|
Kolbenring Z 53x2 |
2 |
|
| |
|
Kolbenring Z 53,50x2 |
2 |
|
| |
|
Kolbenring Z 54x2 |
2 |
|
| 22 |
|
Kolbenbolzen A 15x43 K TGL 39-755 |
1 |
|
| |
|
Kolbenbolzen A 15,01x43 K TGL 39-755 |
1 |
ES 125/1 |
| |
|
Kolbenbolzen A 15,02x43 K TGL 39-755 |
1 |
|
| 21 |
56.1 |
Kolben vollst. 56 ø |
1 |
|
| |
56.1 |
Kolben vollst. 56,50 ø |
1 |
|
| |
56.1 |
Kolben vollst. 57 ø |
1 |
|
| |
56.1 |
Kolben vollst. 57,50 ø |
1 |
|
| |
56.1 |
Kolben vollst. 58 ø |
1 |
|
| |
|
Kolbenring (Zweitakt) Z JS |
|
|
| 21a |
|
Kolbenring Z 56x2 |
2 |
|
| |
|
Kolbenring Z 56,50x2 |
2 |
|
| |
|
Kolbenring Z 57x2 |
2 |
|
| |
|
Kolbenring Z 57,50x2 |
2 |
|
| |
|
Kolbenring Z 58x2 |
2 |
|
| 22 |
|
Kolbenbolzen A 15x47 L TGL 39-755 |
1 |
|
| |
|
Kolbenbolzen A 15,01x47 L TGL 39-755 |
1 |
|
| |
|
Kolbenbolzen A 15,02x47 L TGL 39-755 |
1 |
|
| 23 |
|
Zündkerze 14/260 M 14 TGL 200-3075 |
11 |
|
| 24 |
|
Zündkerzendichtung C 14x18 DIN 7603 |
11 |
|
| 25 |
|
Sprengring 15 TGL 0-73.123 |
2 |
|
| 26 |
12-47.003 |
Kettenrad auf Kurbelwelle (Einfach) |
1 |
|
| |
12-47.004 |
Kettenrad auf Kurbelwelle (Duplex) |
1 |
|
| 27 |
|
Federscheibe 12 TGL 0-137 |
1 |
|
| 28 |
|
Mutter M 12x1,5 TGL 0-936-5 S |
1 |
|
| 29 |
|
Sicherungsring für Kurbelwelle 47 TGL 0-472 |
1 |
|
| 30 |
|
Wellendichtring D 17x30x7 TGL 16454 WS 1.018 |
1 |
|
| 31 |
11-41.047 |
Dichtkappe |
1 |
|
| 32 |
11.41.045 |
Dichtung zur Dichtkappe |
1 |
|
| 33 |
|
Senkschraube BM 5x15 TGL 5683 |
4 |
|
| |
|
Flachprofil 2x30 TGL 21829 für Zylinderkörper, Länge 95 mm |
2 |
Meterw. |
| |
|
Schlauch 8x2-0-65 TGL 13880 für Zylinderdeckel, Länge 95 mm |
2 |
|
| |
|
1 Lieferung durch Fahrzeugelektrik Thalheim |
|
|
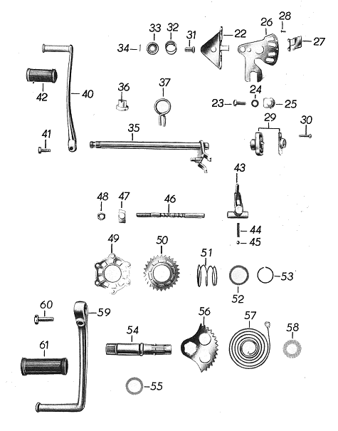
Gruppe: Motor Tafel 19
Schaltung, Kickstarter
nächste Tafel ;
Gruppenübersicht
|

| Bild-Nr. |
Ersatzteil-Nr. |
Bezeichnung |
Anzahl |
Bemerkung |
| 22 |
11-45.006 |
Halteblech für Segmenthebel |
1 |
|
| 23 |
|
Sechskantschraube M 6x16 TGL 0-933-8 G |
2 |
|
| 24 |
|
Scheibe 6,4 TGL 0-125-St |
2 |
|
| 25 |
01-45.009 |
Sicherungsblech zur Haltescheibe |
2 |
|
| 26 |
11-45.003 |
Segmenthebel |
1 |
|
| 27 |
8606.1/1-1(4) |
Kontaktblech dazu |
11 |
|
| 28 |
|
Halbrundniet 2,6x8 TGL 0-660 |
2 |
|
| 29 |
8606.1/1(4) |
Elektrischer Leerganganzeiger vollst. |
11 |
|
| 30 |
|
Zylinderschraube M 4x15 TGL 0-84-4 D |
2 |
|
| |
02-48.008 |
Gummistopfen für Leerganganzeigekabel |
1 |
|
| 31 |
11-45.007 |
Bolzen für Segmenthebel |
1 |
|
| 32 |
01-45.007 |
Druckfeder |
1 |
|
| 33 |
01-45.006 |
Haltescheibe für Druckfeder |
1 |
|
| 34 |
01-45.008 |
Sicherungsstift zur Haltescheibe |
1 |
|
| 35 |
11-45.032 |
Schaltwelle mit Schaltstück |
1 |
|
| 36 |
11-45.034 |
Distanzstück |
1 |
|
| 37 |
01-45.015 |
Rückholfeder |
1 |
|
| 40 |
01-45.020 |
Fußschalthebel |
1 |
|
| |
12-45.003 |
Fußschalthebel |
12 |
|
| 41 |
|
Sechskantschraube M 6x16 TGL 0-933-8 G |
1 |
|
| 42 |
01-44.052 |
Gummi für Fußschalthebel |
1 |
|
| 43 |
11-45.013 |
Schaltklaue |
1 |
|
| 44 |
|
Druckfeder für Schaltklaue C 1,2x6x11,5 TGL 18395 |
1 |
|
| 45 |
|
Kugel 6,35 IV TGL 15515 |
1 |
|
| 46 |
11-45.046 |
Schaltarretierachse |
1 |
|
| 47 |
11-45.017 |
Sicherungsblech |
1 |
|
| 48 |
00-06.048 |
Sechskantmutter |
1 |
|
| 49 |
01-44.009 |
Mitnehmer für Kickstarter |
1 |
|
| 50 |
11-44.006 |
Kickstarterrad |
1 |
|
| 51 |
01-44.011 |
Feder zum Kickstarterrad |
1 |
|
| 52 |
01-44.012 |
Haltescheibe für Feder |
1 |
|
| 53 |
00-03.016 |
Sprengring dazu |
1 |
|
| 54 |
11-44.011 |
Kickstarterwelle |
1 |
|
| 55 |
00-01.073 |
Unterlegscheibe zur Kickstarterwelle |
1 |
|
| 56 |
11-44.013 |
Kickstartersegment |
1 |
|
| 57 |
01-44.003 |
Kickstarterfeder |
1 |
|
| 58 |
11-44.014 |
Führungsscheibe |
1 |
|
| 59 |
12-44.05 |
Kickstarterkurbel |
1 |
|
| 60 |
|
Sechskantschraube M 8x25 TGL 0-931-8 G |
1 |
verzinkt |
| 61 |
02-46.042 |
Gummi für Kickstarterkurbel |
1 |
|
| |
|
1 Fahrzeugelektrik Thalheim |
|
|
| |
|
2 ab Motor-Nr. 7326618 und 6455470 |
|
|
Gruppe: Motor Tafel 20
Kupplung
nächste Tafel ;
Gruppenübersicht
|

| Bild-Nr. |
Ersatzteil-Nr. |
Bezeichnung |
Anzahl |
Bemerkung |
| 1 |
11-46.001 |
Kupplungstrommel |
1 |
|
| 2 |
11-46.016 |
Kupplungskettenrad 37 Zähne (einfach) |
1 |
|
| |
11-46.029 |
Kupplungskettenrad |
11 |
|
| 3 |
01-46.009 |
Mitnehmer für Kickstarter |
1 |
|
| 4 |
|
Senkniet 4x16 TGL 0-661-Mu 8 |
6 |
|
| |
|
Senkniet 4x18 TGL 0-661-Mu 8 |
61 |
|
| 5 |
01-46.001 |
Laufbuchse zum Kupplungskettenrad |
1 |
|
| 6 |
00-01.050 |
Anlaufscheibe |
1 |
|
| 7 |
00-18.164 bis 167 |
Ausgleichscheibe 0,1; 0,2; 0,3; 0,5 |
n.Bed. |
|
| 8 |
12-46.002 |
Innerer Mitnehmer |
1 |
|
| |
12-46.003 |
Innerer Mitnehmer |
11 |
|
| 9 |
11-46.009 |
Federbolzen |
6 |
|
| 10 |
01-46.007 |
Haltelamelle für Mitnehmer |
1 |
|
| 11 |
01-46.059 |
Reibbelag-Kupplungsscheibe 6 TGL 39-716 |
6 |
|
| 12 |
11-46.021 |
Kupplungslamelle für Mitnehmer |
5 |
|
| 13 |
01-46.006 |
Drucknagel |
1 |
|
| 14 |
01-46.062 |
Federteller vollst. |
1 |
|
| 15 |
01-46.063 |
Druckfederkappe |
6 |
|
| 16 |
01-46.064 |
Druckfeder |
6 |
|
| 17 |
11-46.010 |
Stütznippel |
6 |
|
| 18 |
11-46.011 |
Bolzen für Federabstützung |
6 |
|
| 19 |
11-47.022 |
Endlose Einfach-Hülsenkette 48 Glieder |
1 |
|
| |
11-47.051 |
Duplexhülsenkette |
11 |
|
| 20 |
11-46.003 |
Druckstange für Kupplung |
1 |
|
| 21 |
01-46.066 |
Druckspindel |
1 |
|
| 22 |
11-46.013 |
Hebel zur Druckspindel |
1 |
|
| 23 |
11-46.020 |
Zugfeder zum Kupplungshebel |
1 |
|
| 24 |
|
Splint dazu 3,2x16 TGL 0-94-St |
1 |
|
| 25 |
|
Kugel für Druckstange 6,35 IV TGL 15515 |
1 |
|
| 26 |
|
Gewindestift zur Kupplungsbetätigung M 8x30 TGL 0-417 M 8-6 g |
1 |
|
| 27 |
|
Sechskantmutter dazu M 8 TGL 0-934-5 S |
1 |
|
| |
|
1 Duplexkette MM 125/2 ab Motor-Nr.
7324450 MM 150/2 ab Motor-Nr. 6444237 |
|
|
Gruppe: Motor Tafel 21
Zahnräder, Wellen
nächste Tafel ;
Gruppenübersicht
|

| Bild-Nr. |
Ersatzteil-Nr. |
Bezeichnung |
Anzahl |
Bemerkung |
| 1 |
11-47.048 |
Kupplungswelle |
1 |
|
| 2 |
|
Rillenkugellager 6202 C 3 TGL 2981 15x35x11 |
11 |
|
| 3 |
|
entfällt |
|
|
| 4 |
11-47.007 |
Schaltrad für II. und IV. Gang |
1 |
|
| 5 |
11-47.010 |
Schaftrad mit Büchse |
1 |
|
| 6 |
|
Rillenkugellager 6004 TGL 2981 20x42x12 |
11 |
|
| 7 |
00-18.161 bis 163 |
Ausgleichscheibe dazu 0,2; 0,3; 0,5 |
n.Bed. |
|
| 8 |
11-47.044 |
Abstandshülse für Kettenrad |
1 |
|
| 9 |
11-47.018 |
Kettenrad am Getriebe 15 Zähne |
1 |
ES 125/1 |
| |
11-47.019 |
Kettenrad am Getriebe 16 Zähne |
1 |
|
| 10 |
01-47.008 |
Sicherungsblech für Kettenradmutter |
1 |
|
| 11 |
00-06.008 |
Mutter für Kettenradbefestigung |
1 |
|
| 12 |
|
Federring B 12 TGL 7403 |
1 |
|
| 13 |
01-46.068 |
Sicherungsblech dazu |
1 |
|
| 14 |
|
Mutter M 12x1,5 links TGL 0-934-5 S |
1 |
|
| 15 |
11-47.034 |
Vorgelegewelle |
1 |
|
| 16 |
|
Rillenkugellager 6201 C 3 TGL 2981 12x32x10 |
11 |
|
| 17 |
00-18.063 |
Spritzscheibe für Vorgelegewelle |
1 |
|
| 18 |
11-47.050 |
Schaltrad für III. Gang |
12 |
|
| 19 |
11-47.050 |
Schaltrad für I. Gang |
12 |
|
| |
00-03.045 |
Sprengring |
1 |
|
| 20 |
11-47.016 |
Zahnrad für I. Gang |
1 |
|
| 21 |
|
entfällt |
|
|
| |
|
1 unbedingt Polyamidkäfig verwenden |
|
|
| |
|
2 werden nur paarweise geliefert |
|
|
Gruppe: Motor Tafel 22
Startvergaser
nächste Tafel ;
Gruppenübersicht
|

| Bild-Nr. |
Ersatzteil-Nr. |
Bezeichnung |
Anzahl |
Bemerkung |
| |
|
Vergaser 22 N 1-3 |
1 |
ES 125/1 |
| |
|
Vergaser 24 N 1-1 |
1 |
|
| 1 |
2931 |
Vergasergehäusekappe |
1 |
|
| 2 |
2936 |
Dichtung |
1 |
|
| 3 |
2914 |
Seilzugstellschraube |
2 |
|
| 4 |
0002 |
Sechskantmutter |
2 |
|
| 5 |
2933 |
Gewindering |
1 |
|
| 6 |
2946 |
Druckfeder |
1 |
|
| 7 |
2952 |
Hohlschieber (30) |
1 |
|
| 8 |
2943 |
Nadelhalter |
1 |
|
| 9 |
2930 |
Teillastnadel (c 3) |
1 |
|
| 10 |
2935 |
Einsatzstück vollst. |
1 |
ES 125/1 |
| |
2923 |
Einsatzstück vollst. |
1 |
|
| 11 |
|
Linsensenkschraube BM 4x10 TGL 5687 |
2 |
|
| 12 |
0013 |
Regulierschraube |
1 |
|
| 13 |
0011 |
Druckfeder |
1 |
|
| 14 |
2921 |
Schlauchnippel |
1 |
|
| 15 |
|
Dichtring A 10x14 TGL 0-7603-Vf. |
1 |
|
| 16 |
2934 |
Vergasergehäuse vorm. |
1 |
ES 125/1 |
| |
2922 |
Vergasergehäuse vorm. |
1 |
|
| 17 |
0121 |
Klemmring vollst. |
1 |
|
| 18 |
2928 |
Schwimmer |
1 |
|
| 19 |
|
Zylinderstift 2,5 m 6x25 TGL 0-7 |
1 |
|
| 20 |
0125 |
Startdüse (70) |
1 |
ES 125/1 |
| |
0125 |
Startdüse (75) |
1 |
|
| 21 |
2927 |
Düsenträger |
1 |
|
| 22 |
2926 |
Nadeldüse (65) |
1 |
|
| 23 |
0125 |
Hauptdüse (90) |
1 |
ES 125/1 |
| |
0125 |
Hauptdüse (95) |
1 |
|
| 24 |
2932 |
Dichtung |
1 |
|
| 25 |
|
Zylinderschraube AM 4x16 TGL 0-84 |
3 |
|
| 26 |
2924 |
Schwimmergehäuse |
1 |
|
| 29 |
|
Dichtring A 10x14 TGL 0-7603-Vf. |
1 |
|
| 30 |
1534 |
Ventilsitz (15) |
1 |
|
| 31 |
1533 |
Schwimmernadel |
1 |
|
| 32 |
2911 |
Ventilkörper |
1 |
|
| 33 |
2910 |
Schwimmernadelventil vollst. (15) |
1 |
|
| 34 |
2907 |
Startschieberkappe |
1 |
|
| 35 |
2903 |
Druckfeder |
1 |
|
| 36 |
2905 |
Startkolben |
1 |
|
| |
2906 |
Dichtscheibe dazu |
1 |
|
| 38 |
2916 |
Leerlaufdüse (35) |
1 |
ES 125/1 |
| |
2916 |
Leerlaufdüse (40) |
1 |
|
Gruppe: Sonderzubehör Tafel 23
Beinschutzbleche, Kofferträger
nächste Tafel ;
Gruppenübersicht
|

| Bild-Nr. |
Ersatzteil-Nr. |
Bezeichnung |
Anzahl |
Bemerkung |
| 1/2 |
13-30.034 |
Beinschutzbleche, Garnitur komplett |
1 |
|
| |
13-30.299 |
Beinschutzbleche, silberfarbig |
|
|
| 3 |
05-30.014 |
Gummikeder für Beinschutz, 230 mm lang |
11 |
|
| 4 |
13-30.095 |
Gummikeder für Beinschutz, rechts 160 mm lang |
1 |
|
| 5 |
13-30.096 |
Gummikeder für Beinschutz, links 125 mm lang |
1 |
|
| 6 |
13-30.032 |
Spannbolzen für Beinschutz |
1 |
|
| 7 |
|
Sechskantmutter M 6 TGL 0-934 |
4 |
|
| 8 |
|
Scheibe 6,4 TGL 0-125 |
4 |
|
| 9 |
|
Federring B 6 TGL 7403 |
2 |
|
| 10 |
13-30.035 |
Befestigungsblech für Beinschutz rechts |
1 |
|
| 11 |
13-30036 |
Befestigungsblech für Beinschutz links |
1 |
|
| 12 |
|
Sechskantschraube zur Beinschutzbefestigung M 6x10 TGL 0-933 |
4 |
|
| 13 |
|
Sechskantmutter M 6 TGL 0-934 |
6 |
|
| 15 |
|
Federscheibe 6 TGL 0-137 |
4 |
|
| 16 |
13-30.041 |
Taschenträger mit Gummiunterlage |
1 |
|
| 17 |
|
Sechskantschraube zur Befestigung M 8x25 TGL 0-931-8 G |
2 |
|
| 18 |
|
Scheibe 8,4 TGL 0-125 St |
2 |
|
| 19 |
|
Federring B 8 TGL 7403 |
2 |
|
| 20 |
|
Sechskantmutter M 8 TGL 0-934 |
2 |
|
| 21 |
|
Sechskantschraube zur Befestigung am Kotflügel M 6x25 TGL
0-931-8 G |
1 |
|
| |
13-30.237 |
Seitengepäckträger |
1 |
|
| |
13-30.114 |
Handschaltung komplett |
1 |
|
| |
16-30.132 |
Seitenständer |
1 |
|
| |
|
1 Meterware |
|
|
Anhang Ersatzteile für die Motorräder ETS 125/1 und ETS
150/1
Gruppenübersicht
Anmerkung
Die im Anhang aufgeführten Tafel-
und Bildnummern sind gleichlautend mit denen der Ersatzteilliste ES
125/1-150/1, während die eingesetzten Ersatzteilnummern ausschließlich von
der Serienausführung ES 125/1-150/1 abweichende Teile der Motorräder ETS
125/1-150/1 nennen.
Ausgenommen hiervon sind die Bild- und
Ersatzteilnummern der Tafel 3 und 4, die überwiegend Teile der ETS 250
Trophy Sport darstellen.
Alle nicht aufgeführten Ersatzteile sind
aus der Ersatzteilliste ES 125/1-150/1 ersichtlich.
Tafel 1
Rahmen
| Bild-Nr. |
Ersatzteil-Nr. |
Bezeichnung |
Anzahl |
Bemerkung |
| 1 |
13-21.182 |
Rahmen |
1 |
|
| |
02-21.087 |
Abdeckblech für Diebstahlsicherung |
1 |
|
| |
16-30.132 |
Seitenständer vollständig |
1 |
|
| |
02-25.028 |
Zugfeder dazu |
1 |
|
| |
13-21.189 |
Sattelträger silberfarbig |
1 |
|
Gruppe: Fahrgestell Tafel 3
Teleskopgabel |

| Bild-Nr. |
Ersatzteil-Nr. |
Bezeichnung |
Anzahl |
Bemerkung |
| 1 |
19-22.049 |
Gleitrohr rechts |
1 |
|
| 1a |
19-22.050 |
Gleitrohr links |
1 |
|
| |
|
Sechskantschraube M 8x30 TGL 0-931-8 G verzinkt |
1 |
|
| |
|
Federring B 8 TGL 7403 verzinkt |
1 |
|
| 2 |
19-22.053 |
Führungsrohr |
2 |
|
| 3 |
|
Sprengring 32 TGL 16363 |
6 |
|
| 4 |
19-22.054 |
Untere Gleitbüchse |
2 |
|
| 5 |
|
Sprengring 32x1,6 TGL 0-9045 |
2 |
|
| 6 |
19-22.055 |
Dichtring |
2 |
|
| 7 |
19-22.056 |
Feder für Dichtring |
2 |
|
| 8 |
22-22.115 |
Obere Gleitbüchse |
2 |
|
| 9 |
19-22.058 |
Gewindering |
2 |
|
| 10 |
|
Wellendichtring D 32x45 TGL 16454 |
2 |
|
| 11 |
19-22.069 |
Stützring für Wellendichtring |
2 |
|
| 12 |
|
Sicherungsring 45 TGL 0-472 |
2 |
|
| 13 |
19-22.060 |
Filzring |
2 |
|
| 14 |
19-22.059 |
Federstützring |
2 |
|
| 15 |
13-22.099 |
Druckfeder |
2 |
|
| 16 |
19-22.062 |
Federkappe |
2 |
|
| 17 |
19-22.063 |
Schutzbalg |
2 |
|
| |
13-22.114 |
Schutzbalg |
1 |
Export |
| 18 |
19-22.064 |
Klemmschelle |
2 |
|
| |
|
Zylinderschraube BM 4x12 TGL 0-84-5 S verzinkt |
2 |
|
| |
|
Sechskantmutter M 4 TGL 0-934-5 S verzinkt |
2 |
|
| 19 |
22-34.013 |
Gummiring zum Scheinwerferhalter |
4 |
|
| 20 |
19-22.083 |
Scheinwerferhalter |
2 |
|
| |
01-30.214 |
Schloß zur Lenkersicherung (Diebstahlsicherung) |
1 |
|
| |
13-22.131 |
Teleskopgabel |
1 |
Export |
Gruppe: Fahrgestell Tafel 4
Lenkeinrichtung |

| Bild-Nr. |
Ersatzteil-Nr. |
Bezeichnung |
Anzahl |
Bemerkung |
| 1 |
19-22.046 |
Verschlußstopfen |
1 |
|
| 2 |
19-22.068 |
Sechskantmutter für Steuerrohr |
1 |
|
| 3 |
19-22.067 |
Sicherungsblech |
1 |
|
| 4 |
19-22.037 |
Oberer Klemmkopf |
1 |
|
| 5 |
19-22.033 |
Lenkerhalteschale |
2 |
|
| |
|
Sechskantschraube M 6x40 TGL 0-931-8 G verzinkt |
4 |
|
| |
|
Federscheibe 6 TGL 0-137 |
4 |
verzinkt |
| 6 |
19-22.041 |
Halsmutter |
1 |
|
| |
13-22.101 |
Distanzscheibe |
1 |
|
| 7 |
19-22.043 |
Staubkappe |
1 |
|
| 8 |
05-22.147 |
Rahmenlaufring |
2 |
|
| 9 |
05-22.159 |
Gabellaufring |
2 |
|
| 10 |
19-22.031 |
Unterer Klemmkopf |
1 |
|
| |
|
Kugel 6,35 mm III |
44 |
|
| |
|
Sechskantschraube M 10x40 TGL 0-931-8 G zum unteren Klemmkopf
verzinkt |
2 |
|
| |
|
Federring B 10 TGL 7403 |
2 |
|
| 11 |
19-22.073 |
Verschlußschraube |
2 |
|
| 12 |
22-23.023 |
Lenkerrohr hochgezogen |
1 |
|
| |
|
Seilzug für Handbremse A 1235x1067x150,5 |
1 |
|
| |
|
Seilzug für Außenzuggriff D 1002x888x101 |
1 |
|
| |
|
Seilzug für Startvergaser E/D 974x900x60 |
1 |
|
| |
13-29.027 |
Seilzug für Kupplung A 1267x1122x127,5 |
1 |
|
| 13 |
13-30.100 |
Abschlußpilz |
2 |
|
| |
|
Linsensenkschraube BM 5x10 TGL 5687-4 S verzinkt |
2 |
|
| 14 |
Nr. 302 |
Blindgriff |
1 |
|
| 15 |
Nr. 271 |
Hebel für Kupplung |
1 |
|
| 16 |
B MZS 682 |
Hebel für Startvergaser |
1 |
|
| 17 |
Nr. 270 |
Hebel für Handbremse |
1 |
|
| 18 |
Nr. 310 |
Außenzugdrehgriff |
1 |
|
| 12 |
22-30.008 |
Lenkerrohr flach |
1 |
|
| |
|
Seilzüge dazu: |
|
|
| |
|
Handbremse A 1105x937x150,5 |
1 |
|
| |
|
Außenzugdrehgriff D 952x838x101 |
1 |
|
| |
|
Startvergaser E/D 884x810x60 |
1 |
|
| |
13-29.003 |
Kupplung A 1167x1022x127,5 |
1 |
|
Tafel 6
Vorderrad
| Bild-Nr. |
Ersatzteil-Nr. |
Bezeichnung |
Anzahl |
Bemerkung |
| 1 |
19-24.003 |
Vorderrad |
1 |
|
| 2 |
05-24.025 |
Radkörper |
1 |
|
| |
13-24.037 |
Tiefbettfelge 1,60 B x 18 |
1 |
|
| |
|
Reifen 2,75-18 Profil K 27 |
1 |
werden nicht von MZ geliefert |
| |
|
Schlauch 2,75-18 |
1 |
werden nicht von MZ geliefert |
| |
|
Felgenband 25x18 |
1 |
werden nicht von MZ geliefert |
| 6 |
05-24.261 |
Bremsbacken |
2 |
|
| 7 |
13-24.019 |
Rückholfeder dazu |
1 |
|
| 9 |
05-24.263 |
Radkörperdeckel |
1 |
|
| 10 |
18-24.503 |
Vorderradachse |
1 |
|
| 13 |
05-24.264 |
Gegenhalter |
1 |
|
| 14 |
05-24.005 |
Abstandshülse |
1 |
|
Tafel 7
Hinterrad
| Bild-Nr. |
Ersatzteil-Nr. |
Bezeichnung |
Anzahl |
Bemerkung |
| 17 |
22-25.006 |
Distanzhülse |
1 |
|
| 18 |
13-25.075 |
Gegenhalter |
1 |
|
| |
00-18.156 |
Scheibe für Achse |
1 |
|
|
Tafel 9
Kraftstoffbehälter
| Bild-Nr. |
Ersatzteil-Nr. |
Bezeichnung |
Anzahl |
Bemerkung |
| 1 |
13-27.159 |
Kraftstoffbehälter |
1 |
|
| 2 |
16-27.050 |
Kniekissen links |
1 |
|
| |
16-27.051 |
Kniekissen rechts |
1 |
|
| |
13-27.165 |
Abzeichen links |
1 |
|
| |
13-27.166 |
Abzeichen rechts |
1 |
|
| 9 |
13-27.143 |
Auflagegummi für Kraftstoffbehälter |
1 |
|
Tafel 11
Kotflügel
| Bild-Nr. |
Ersatzteil-Nr. |
Bezeichnung |
Anzahl |
Bemerkung |
| 1 |
19-28.040 |
Vorderradkotflügel silberfarbig |
1 |
|
| |
19-28.015 |
Vordere Kotflügelstrebe |
1 |
|
| |
05-28.075 |
Anschlagplatte für Handbremsseilzug |
1 |
|
| |
02-48.071 |
Verschlußstopfen |
1 |
|
| |
13-28.125 |
Hinteres Kotflügelendstück silberfarbig |
1 |
|
| |
13-28.118 |
Typabzeichen ETS 125/1 |
1 |
|
| |
13-28.119 |
Typabzeichen ETS 150/1 |
1 |
|
Tafel 12
Verkleidung
| Bild-Nr. |
Ersatzteil-Nr. |
Bezeichnung |
Anzahl |
Bemerkung |
| 2 |
13-28.096 |
Verkleidung rechts mit Zierstrichen |
1 |
|
| 1 |
13-28.102 |
Verkleidung links mit Zierstrichen |
1 |
|
| 4 |
13-28.075 |
Deckel für Werkzeugbehälter mit Zierstrichen |
1 |
|
Tafel 13
Sättel, Werkzeuge
| Bild-Nr. |
Ersatzteil-Nr. |
Bezeichnung |
Anzahl |
Bemerkung |
| 1 |
13-31.300 |
Sitzbank |
1 |
|
|
Tafel 14
Lichtmaschine, Unterbrecher
| Bild-Nr. |
Ersatzteil-Nr. |
Bezeichnung |
Anzahl |
Bemerkung |
| 12 |
19-30.036 |
Kabelbaum |
1 |
|
| 19 |
19-30.060 |
Abdeckkappe |
1 |
|
Tafel 16
Scheinwerfer, Tachometer
| Bild-Nr. |
Ersatzteil-Nr. |
Bezeichnung |
Anzahl |
Bemerkung |
| |
22-34.021 |
Scheinwerfergehäuse |
1 |
|
| |
8709.4/1 |
*Streuscheibe mit Reflektor |
1 |
|
| |
8706.14-210 |
*Frontring |
1 |
|
| |
8720.6/1-200:3/1 |
*Sprengfeder dazu |
1 |
|
| |
8626.1/8 |
*Zündlichtschalter |
1 |
|
| |
8626.1/6-1 |
*Abdeckung dazu |
1 |
|
| |
|
*Glühlampe A 6 V 45/40 W |
1 |
|
| |
19-30.028 |
Kabeldurchführung |
1 |
|
| |
B FERS 124 |
Gummitülle für Scheinwerfer |
2 |
|
| |
19-30.035 |
Gummitülle für Abblendkabel |
1 |
|
| 27 |
91.0032 |
Rundtachometer-Wegdrehzahl 1 |
1 |
|
| 28 |
13-30.230 |
Tachometer-Antriebsspirale |
1 |
|
| |
19-30.061 |
Abstandshülse für Tachometer |
1 |
|
| |
22-34.113 |
Dichtring für Abstandshülse |
1 |
|
| |
13-30.232 |
Luftpumpenhalter |
1 |
|
| |
13-30.232 |
Luftpumpenhalter |
1 |
|
| |
|
Die mit einem * gekennzeichneten Teile sind durch
Fahrzeugelektrik Thalheim (Erzg.) zu beziehen. |
|
|
| |