VEB Motorradwerk Zschopau (Herausgeber)(1966):

Bedienungsanleitung für die MZ-Motorräder ES 175/1 und ES 250/1

Vorwort

Lieber MZ-Freund!

Bitte legen Sie diese Betriebsanleitung nicht ungelesen zur Seite, weil Sie annehmen, schon alles zu wissen, was darin steht. Den meisten Menschen sind zwar heute fahrzeugtechnische Dinge geläufig, aber auch ein alter Motorradhase kann ab und zu noch etwas dazulernen!

Seit vier Jahrzehnten werden in Zschopau Motorräder gebaut. Es sind deshalb werkseitig alle Voraussetzungen vorhanden, daß Ihr Fahrzeug zuverlässig und betriebssicher ist - daß es so erhalten bleibt, hängt jedoch jetzt von Ihnen selbst ab.

Das soll nicht heißen, daß Sie Ihre ES wie ein rohes Ei behandeln sollen, sondern wenn Sie das befolgen, was wir Ihnen nachstehend über das Einfahren, richtige Betriebsstoffe, Wartung und Pflege empfehlen, werden Sie feststellen, daß Ihre ES unverwüstlich ist.

Beherzigen Sie deshalb unsere Hinweise, Ihre ES wird es Ihnen danken!

Wir wünschen Ihnen gute Fahrt!

VEB Motorradwerk Zschopau




Inhaltsverzeichnis


1.    Technische Daten
1.1.    Motor
1.2.    Vergaser
1.3.    Elektrische Anlage
1.4.    Getriebe
1.5.    Kraftübertragung
1.6.    Fahrgestell
1.7.    Maße und Massen
1.8.    Füllmengen
1.9.    Bremsverzögerung
2.    Beschreibung
2.1.    Motor
2.2.    Kupplung, Primärantrieb und Getriebe
2.3.    Vergaser
2.4.    Luftfilteranlage
2.5.    Elektrische Anlage
2.6.    Tacho mit Antrieb
2.7.    Rahmen
2.8.    Kippständer
2.9.    Vordergabel mit Federbeinen
2.10.  Hintere Schwinggabel mit Federbeinen
2.11.  Achsen und Räder
2.12.  Bremsen
2.13.  Fahrer- und Soziussattel sowie Sitzbank
2.14.  Sicherheitsschlösser
2.15.  Hinterradkotflügel
2.16.  Seitenverkleidungen
2.17.  Hinterradantrieb
2.18.  Kraftstoffbehälter mit Kraftstoffhahn
2.19.  Sonder-Zubehör
3.    Betriebsmittel
3.1.    Kraftstoff
3.2.    Motorenöl
3.3.    Mischungsverhältnis
3.4.    Schmiermittel für Kraftübertragung
3.5.    Schmiermittel für das Fahrgestell
3.6.    Stoßdämpferfüllung
4.    Und nun zum Fahren
4.1.    Fahrfertig machen
4.2.    Starten
4.3.    Fahrt frei
4.4.    Zurückschalten am Berg
4.5.    Anhalten
5.    Einfahren und wirtschaftlich fahren
6.    Instandhaltung
6.1.    Motor und Getriebe
6.2.    Kupplung nachstellen
6.3.    Ölstand im Getriebe prüfen
6.4.    Getriebeschmiermittel wechseln
6.5.    Verbrennungsrückstände im Auslaßkanal
6.6.    Verbrennungsrückstände im Schalldämpfer
6.7.    Vergaser
6.8.    Luftfilter und Ansauggeräuschdämpfer
6.9.    Kraftstoffhahn und -filter
6.10.  Elektrische Anlage
6.10.1.    Unterbrecherkontakte
6.10.2.    Zündkerze und Kerzenstecker
6.10.3.    Batterie
6.11.  Fahrgestell
6.11.1.    Kettendurchhang
6.11.2.    Kettenschmierung
6.11.3.    Kettenverschleiß
6.11.4.    Fluchten der Laufräder
6.11.5.    Bremsen nachstellen und säubern
6.11.6.    Bremslichtkontakt nachstellen
6.11.7.    Reifenluftdruck
6.11.8.    Reifenmontage
7.    Die gute Pflege
8.    'Einmotten'
9.    Wo liegt der Fehler?
9.1.    Motor springt nicht an
9.2.    Rote Kontrollampe geht nicht aus
9.3.    Motor läuft unrund
9.4.    Motor nimmt kein Gas an
9.5.    Kraftstoffverbrauch zu hoch
9.6.    Batterie hält keinen Strom
9.7.    Glühlampen brennen nicht
9.8.    Das Zündkerzengesicht
Ersatzteilbeschaffung
Kundendienst
Schmierplan
Wartungsplan



Bild 1. ES 175/1 - ES 250/1


1. Technische Daten

1.1. Motor

nächster Punkt ; Inhaltsverzeichnis

  ES 175/1 ES 250/1
Arbeitsverfahren Zweitakt-Umkehrspülung Zweitakt-Umkehrspülung
Kühlungsart Luft (Fahrwind) Luft (Fahrwind)
Zylinderzahl 1 1
Hub/Bohrung 65/78 65/70
Hubraum 172 cm² 250 cm²
Verdichtungsverhältnis 9:1 8,5:1
Leistung bei 5200 U/min 12 PS 16 PS
max. Drehmoment bei 4000 U/min 1,7 kpm 2,3 kpm
Schmierung Mischungsschmierung 33:1 (Hyzet-Öl) Mischungsschmierung 33:1 (Hyzet-Öl)
  Käfiggeführtes Nadellager Käfiggeführtes Nadellager
Pleuellager: 2 Stück Lager 6305 2 Stück Lager 6305
Kurbelwellenhauptlager: 1 Stück Lager 6302 1 Stück Lager 6302
Schmierung der Kurbelwellenhauptlager: durch Getriebeschmiermittel durch Getriebeschmiermittel
Kraftstoff VK extra (gelb, OZ 78) VK extra (gelb, OZ 78)


1.2. Vergaser

nächster Punkt ; Inhaltsverzeichnis

  ES 175/1 ES 250/1
  BVF 25,5 KN 1-2
(Zweihebel-Rundschieber, mit Nadelführung)
BVF 28,5 KN 1-1
(Zweihebel-Rundschieber, mit Nadelführung)
Vergaserwerte:    
Durchlaß in mm 25,5 28,5
Hauptdüse 100 120
Nadeldüse 70 77
Teillastnadel Nr. 3 mit 7 Kerben 11 mit 7 Kerben
Nadelstellung von oben 5. Kerbe 5. Kerbe (4. nach Einfahrzeit)
Leerlaufdüse 45 45
Schieberausschnitt 4,0 mm 4,0 mm
Leerlaufluftschraube etwa 2,5 Umdr. offen etwa 2,5 Umdr. offen
Kraftstoffniveau 28 + 1 mm 28 + 1 mm
Luftfilter Naßluftfilter mit Ansauggeräuschdämpfer Naßluftfilter mit Ansauggeräuschdämpfer


1.3. Elektrische Anlage

nächster Punkt ; Inhaltsverzeichnis

  ES 175/1 ES 250/1
Zündung Batteriezündung mit Fliehkraftregler Batteriezündung mit Fliehkraftregler
Zündzeitpunkt 4,0 mm vor OT bei voll ausgedrückten Fliehgewichten
Kontaktabstand 0,4 mm
3,3 mm vor OT bei voll ausgedrückten Fliehgewichten
Kontaktabstand 0,3 mm
Zündkerze Isolator M 14/240 Isolator M 14/240
Elektrodenabstand 0,6 mm 0,6 mm
Lichtmaschine Gleichstrom, 6V, 60W
kurzzeitig 90W
Gleichstrom, 6V, 60W
kurzzeitig 90W
Ladekontrollampe (rot) im Tachometer (rot) im Tachometer
Regler RSC 60/6, unter der Seitenverkleidung  
Batterie 6V 12 Ah (Bleisammler-Flachbatterie)  
Zündspule 6V, unter Kraftstoffbehälter  
Scheinwerfer feststehend - Lichtaustritt 160 mm  
Schlußleuchte
kombiniert mit
Lichtaustritt 95 mm  
Bremslicht Kontakt am hinteren Bremsschlüssel  
Blinkleuchten beiderseits am Lenkerende
(Schalter am Lenbker rechts)
 
Blinkgeber im Scheinwerfergehäuse  
Signalhorn unter dem Kraftstoffbehälter  
Lichthupe durch Druckknopf unter Abblendschalter betätigt  


1.4. Getriebe

nächster Punkt ; Inhaltsverzeichnis

  ES 175/1 ES 250/1
Kupplung Mehrscheibenkupplung im Ölbad Mehrscheibenkupplung im Ölbad
Schaltung Fußschaltung Fußschaltung
Anzahl der Gänge 4 4
Getriebeabstufung    
1. Gang 2,77:1 2,77:1
2. Gang 1,63:1 1,63:1
3. Gang 1,23:1 1,23:1
4. Gang 0,92:1 0,92:1
Leerlaufanzeige elektrische Kontrollampe (grün) im Tacho  


1.5. Kraftübertragung

nächster Punkt ; Inhaltsverzeichnis

  ES 175/1 ES 250/1
Übersetzung Motor/Getriebe 2,43:1 2,43:1
durch schrägverzahnte Stirnräder 28:68 Zähne 28:68 Zähne
Übersetzung Getriebe/Hinterrad 2,65:1 = 17:45 Zähne 2,25:1 = 20:45 Zähne
durch Rollenkette 12,7 x 7,75 x 8,51 mm
(1/2 x 5/16 Zoll)
12,7 x 7,75 x 8,51 mm
(1/2 x 5/16 Zoll)
(Mit Seitenwagen)
2,65:1 = 17:45 Zähne


1.6. Fahrgestell

nächster Punkt ; Inhaltsverzeichnis

  ES 175/1 ES 250/1
Rahmen Einrohrrahmen, geschweißt Einrohrrahmen, geschweißt
Art der Federung Vorn und hinten Schwinge Vorn und hinten Schwinge
vorn Federbein mit Ölstoßdämpfung 142 mm Federweg Federbein mit Ölstoßdämpfung 142 mm Federweg
hinten Federbein mit Ölstoßdämpfung, verstellbar, 115 mm Federweg Federbein mit Ölstoßdämpfung, verstellbar, 115 mm Federweg
Räder Drahtspeichenräder Drahtspeichenräder
Felgengröße    
vorn 1,85 B x 16 1,85 B x 16
hinten 2,15 B x 16 2,15 B x 16
Bereifung    
vorn 3,25 - 16 3,25 - 16
hinten 3,50 - 16 3,50 - 16
Reifenluftdruck    
vorn 1,4 at 1,4 at
hinten 1,9 at für Solofahrt 1,9 at für Solofahrt
hinten 2,1 at für Soziusfahrt 2,1 at für Soziusfahrt und SW
    2,6 at für SW-Betrieb mit Sozius
Bremsen Zentralbremse Zentralbremse


1.7. Maße und Massen

nächster Punkt ; Inhaltsverzeichnis

  ES 175/1 ES 250/1
Radstand 1325 mm 1325 mm
Länge 2035 mm 2035 mm
Breite 880 mm mit Spiegel und Blinkern 880 mm mit Spiegel und Blinkern
Höhe 1185 mm mit Spiegel
unbelastet
1185 mm mit Spiegel
unbelastet
Bauchfreiheit belastet 140 mm 140 mm
Leermasse 149 kg 153 kg
Tragfähigkeit 171 kp 167 kp
Zulässige Gesamtmasse 320 kg 320 kg


1.8. Füllmengen

nächster Punkt ; Inhaltsverzeichnis

  ES 175/1 ES 250/1
Getriebe 750 cm³ Motorenöl, unlegiert
(Viskosität entsprechend der Jahreszeit)
750 cm³ Motorenöl, unlegiert
(Viskosität entsprechend der Jahreszeit)
Kraftstoffbehälter etwa 15 l Kraftstoffmischung 33:1 etwa 15 l Kraftstoffmischung 33:1
davon Reserve etwa 1,5 l etwa 1,5 l
Federbeine 80 cm³ Stoßdämpferöl
'Globo' je Federbein
4...5° Engler bei 20°C
80 cm³ Stoßdämpferöl
'Globo' je Federbein
4...5° Engler bei 20°C
Höchstgeschwindigkeit etwa 100 km/h etwa 115 km/h (90 km/h mit SW)


1.9. Bremsverzögerung

nächster Punkt ; Inhaltsverzeichnis

Bei günstigem Haftreibwert auf griffiger Betonfahrbahn (Autobahn) kann eine Bremsverzögerung von 7,2 m/s erzielt werden.

Voraussetzung sind, guter Reifenzustand und richtige Bremseinstellung. Bei sachgemäßer Bedienung beider Bremsen ergeben sich folgende Bremswege:

30 km/h 4,8 m,
60 km/h 19,4 m,
90 km/h 44,0 m.

In diesen Werten ist die Reaktionszeit des Fahrers nicht enthalten!

Die Fahrgestellnummer befindet sich an der vorderen Motoraufhängung links.

Die Motornummer ist auf dem Motorblock rechts eingeschlagen.


Änderungen in Konstruktion und Ausstattung vorbehalten.



Bild 2. Straßenverbrauch



Bild 3. ES-Motor im Schnitt (hier vergrößerte Darstellung)



Bild 4. Leistung, Drehmoment, spezif. Verbrauch (hier vergrößerte Darstellung)



2. Beschreibung

2.1. Motor

nächster Punkt ; Inhaltsverzeichnis

Der Einzylinder-Zweitakt-Motor aller ES-Typen arbeitet nach dem Umkehrspülungsverfahren und wird vom Fahrwind gekühlt. Motor und Getriebe sind zu einem glattflächigen Block vereint.

Als Kurbelwellenhauptlager finden zwei Kugellager 6305 und ein Lager 6202 Verwendung. Alle Lager werden vom Getriebeschmiermittel mit geschmiert.

Die Pleuelstange ist auf dem Hubzapfen durch käfiggeführte Nadeln gelagert.


Bild 5. Motor ES 175/1 - ES 250/1



Der Einport-Leichtmetallzylinder umschließt eine Laufbuchse aus Sondergrauguß. Der Flachkolben mit drei Ringen steuert mit Ober- bzw. Unterkante das Ansaugen, Überströmen und den Auslaß.

Geschmiert wird der Motor durch Mischungsschmierung, d. h., es wird dem Kraftstoff im Verhältnis 33:1 Motorenöl zugesetzt.


Bild 6. Motor von links



Es darf nur das legierte 'Hyzet-Zweitakt-Motorenöl’ verwendet werden, andernfalls erlischt unsere Garantieverpflichtung in bezug auf Kurbelwellenschäden o. ä.

Unseren Auslandskunden empfehlen wir die ausschließliche Verwendung von Vergaserkraftstoff 'Super', gemischt mit einem legierten Spezial-Zweitakt-Öl (Shell X 100, Zwo-Ta-Mix o. ä.) zu verwenden. Das Mischungsverhältnis bleibt während und nach der Einfahrzeit unverändert 33:1.


Bild 7. Vergaser zerlegt

  1. Verschlußmutter
  2. Schiebergehäusekappe
  3. Anschlagbolzen
  4. Führungshülse
  5. Luftschieber
  6. Leerlaufluftschraube
  7. Leerlaufkraftstoffdüse
  8. Mehrlochzerstäuber
    (Nadelführung)
  9. Nadeldüse
  10. Hauptdüse
  11. Vergasergehäuse
  12. Dichtung für Einsatzstück
  13. Einsatzstück
  14. Rundschieber
  15. Teillast-(Düsen-)Nadel
  16. Klemmbügel
  17. Schwimmergehäusedeckel
  18. Schwimmer
  19. Schwimmernadel
  20. Schwimmergehäuse
  21. Hohlschraube
  22. Verschlußschraube


2.2. Kupplung, Primärantrieb und Getriebe

nächster Punkt ; Inhaltsverzeichnis

Die Mehrscheibenkupplung (siehe Bild 3) sitzt auf dem linken Kurbelwellenstumpf und wird durch einen Handhebel am Lenker links - über einen nachstellbaren Bowdenzug - betätigt.

Die Kraftübertragung vom Motor zum Getriebe erfolgt über schrägverzahnte Stirnräder. Dieser Antrieb sowie die Kupplung laufen im Ölbad und werden durch den Getriebedeckel und eine Dichtung öldicht abgeschlossen.

Durch den links liegenden Fußschalthebel werden die vier Gangstufen über eine Schaltwalze und zwei Schaltgabeln geschaltet. Die Leerlaufstellung wird durch Aufleuchten der grünen Kontrollampe im Tacho erkennbar. Getriebe und Primärantrieb werden gemeinsam durch Motorenöl geschmiert.



2.3. Vergaser

nächster Punkt ; Inhaltsverzeichnis

Der BVF-Zweihebel-Rundschiebervergaser mit Mehrlochzerstäuber ist oberhalb des Getriebegehäuses unter einer Abdeckkappe untergebracht. (Einstellwerte siehe 'Technische Daten'.) In ihrem konstruktiven Aufbau sind die Vergaser aller drei ES-Typen gleich, nur der Durchlaß ist verschieden.

Die Stellung des Vergaserschiebers und damit die Drehzahl des Motors wird durch den Drehgriff an der rechten Lenkerhälfte reguliert. Ebenfalls auf der rechten Lenkerseite ist der Lufthebel angebracht. Durch Schließen desselben wird das Kraftstoff-Luftgemisch angereichert und damit der Kaltstart erleichtert.

Nach der Einfahrzeit verbleibt die Hauptdüse unverändert im Vergaser. Nur die Teillastnadel kann bei Bedarf - z. B. bei Kraftstoffklingeln - eine Raste höher gehängt werden.



2.4. Luftfilteranlage

nächster Punkt ; Inhaltsverzeichnis

Das Naßluftfilter ist staubgeschützt unter dem Fahrersattel untergebracht. Das Anschlußstück des Ansauggeräuschdämpfers ist am Vergaser aufgeklemmt.


Bild 8. Lufthebel

  1. Auf
  2. Zu


2.5. Elektrische Anlage

nächster Punkt ; Inhaltsverzeichnis

Alle Stromverbraucher werden über eine 6V/12Ah Flachbatterie (Blei) durch die vom rechten Kurbelwellenstumpf angetriebene 6V-Gleichstromlichtmaschine, mit 60 W Leistung (Kurzleistung 90 W), versorgt.

Damit die Lichtmaschine unter ihrem Deckel nicht oxydiert, erhielt sie eine Belüftung, Die Frischluft strömt zwischen erster und zweiter Rippe von rechts an der vorderen Motoraufhängung ein. Durch einen Gummischlauch wird vom Ansauggeräuschdämpfer her die erwärmte Luft abgesaugt.



Bild 9. Lichtmaschinenentlüftung


Der Unterbrecher mit automatischer Zündverstellung durch Fliehgewichte wird nach Abnahme des Lichtmaschinendeckels (rechts) sichtbar.

Die Zündspule ist zusammen mit dem Signalhorn unter dem Kraftstoffbehälter am Rahmen befestigt.

Als Zündkerze ist generell eine 'Isolator' M 14/240 vorgesehen. Ein niedrigerer Wärmewert darf auf keinen Fall verwendet werden, weil dadurch ernste Schäden am Motor entstehen.

Der Zünd- und Lichtschalter ist im Scheinwerfer untergebracht. Die Schaltstellungen des Zündschlüssels sind:

Bild 10. Schalterstellungen


Stellung 0: Alles ausgeschaltet,
Schlüssel abziehbar.
Stellung 1: Zündung eingeschaltet,
ohne Licht, Fahrt bei Tag,
Schlüssel nicht abziehbar.
Stellung 2: Zündung eingeschaltet,
Stand- und Schlußlicht brennt (Stadtfahrt nachts),
Schlüssel nicht abziehbar.
Stellung 3: Zündung eingeschaltet,
Haupt- und Schlußlicht brennt, Nachtfahrt,
Schlüssel nicht abziehbar.
Stellung 4: Zündung ausgeschaltet,
Stand- und Schlußlicht brennt,
Schlüssel abziehbar.
Stellung 5: Zündung eingeschaltet,
ohne Licht, das Fahrzeug kann ohne Batterie im zweiten Gang angeschoben werden.

In den Parkstellungen 0 (Tag) und 4 (Nacht) sind Signalhorn, Bremslicht- und Blinkanlage ohne Strom. Kleine und 'erwachsene' Kinder können also nicht unerwünscht Ihre Batterie strapazieren!

Bestimmt haben Sie sich schon oft einen dritten Arm gewünscht, wenn Sie gleichzeitig kuppeln, Handbremse ziehen und 'Fahrtrichtungsänderung' anzeigen mußten. Die Blinkanlage der ES macht es Ihnen bequemer:

Hebel am Blinkschalter nach oben:
es 'blinkt' nach rechts,

Hebel nach unten:
es 'blinkt' links.

Den Blinkgeber hören Sie bei eingeschalteter Zündung und stehendem Motor beim Betätigen des Blinkschalters; sehen können Sie ihn erst nach Abnehmen des Scheinwerfereinsatzes.

Schluß- und Bremslicht haben einen gemeinsamen Lichtaustritt von 95 mm. Es ist also tatsächlich ein Licht - nicht ein kümmerliches 'Glühwürmchen'!

Das Bremslicht erhält durch eine Kontaktfeder am hinteren Bremsschlüssel Strom.


Bild 11. Vorderradfederung

  1. Hebel zur Reflektorverstellung

Die Batterie ist bei allen ES-Typen unter der linken Seitenverkleidung untergebracht. Der Regler und da Klemmbrett mit der 25-A-Sicherung befinden sich ebenfalls dort.

Das Verlöschen (bei Motorlauf) der roten Ladekontrollampe im Tacho zeigt an, daß die Batterie geladen wird. Der feststehende Scheinwerfer hat einen Lichtaustritt von 160 mm. Bei Soziusbelastung kann der Reflektor durch einen Hebel an der Unterseite des Blendringes verstellt werden.

Das Fahrzeug ist mit folgenden Glühlampen ausgerüstet

Scheinwerfer 6 V, 35/35 W, (Bilux)
Standlicht 6 V, 2 W, Sockel BA9S
Stopplicht 6 V, 18 W, Sockel S8,5
Kennzeichenbeleuchtung 6 V, 5 W, Sockel S8
Blinkleuchten 6 V, 18 W, Sockel S8,5
Ladekontrolle und Leerlaufanzeige 2 x 6 V, 1,2 W
Tachobeleuchtung 2 x 6 V, 1,2 W

Der Abblendschalter ist mit dem Druckknopf für das Signalhorn kombiniert und wird mit dem Daumen der linken Hand betätigt. Auf der Unterseite befindet sich der Druckknopf für die Lichthupe.

Die Kennzeichenleuchte ist mit dem Bremslicht kombiniert. Der Bremslichtschalter wird vom hinteren Bremsschlüssel betätigt und kann am Bremsdeckel an der isolierten Kontaktschraube, nach Lösen der Kontermutter, nachgestellt werden.


Bild 12. Blinkanlage mit Schalter (1),
Abblendschalter (2) mit Druckknopf
für Signalhorn (3) und Lichthupe



2.6. Tacho mit Antrieb

nächster Punkt ; Inhaltsverzeichnis

Der Geschwindigkeitsmesser mit Kilometerzähler ist im Scheinwerfer eingebaut und wird über eine biegsame Welle vom Tachoantrieb am Getrieberitzel angetrieben.

Nach Abnehmen des Lichtmaschinendeckels kann der Antrieb abgeschmiert werden (siehe Bild 36).



2.7. Rahmen

nächster Punkt ; Inhaltsverzeichnis

Der Einrohrrahmen besteht aus Stahlrohr und ist an den Verbindungsstellen geschweißt. Der Steuerkopf ist gemufft und hartgelötet.



2.8. Kippständer

nächster Punkt ; Inhaltsverzeichnis

Der Kippständer ist mit Abwälzfüßen versehen. Fassen Sie mit der linken Hand den Lenker, mit der rechten den Soziusgriff, der rechte Fuß tritt den Kippstände nieder, ein Ruck nach hinten , und schon ist die ES ohne große Anstrengung aufgebockt!



2.9. Vordergabel mit Federbeinen

nächster Punkt ; Inhaltsverzeichnis

Die Vordergabel besteht aus einem Stahlblech-Kastenträger, der am unteren Ende die Lagerung der Schwinggabel aufnimmt.


Bild 13. Verstellmöglichkeit der Federhärte

  1. Weich
  2. Hart


Die Federung übernehmen zwei Federbeine mit hydraulischer Dämpfung und 142 mm Federweg. Der tief heruntergezogene Vorderradkotflügel ist feststehend (siehe Bild 11).


2.10. Hintere Schwinggabel mit Federbeinen

nächster Punkt ; Inhaltsverzeichnis

Die hintere Schwinggabel ist ebenfalls durch zwei Federbeine mit hydraulischer Dämpfung abgefedert. Der Federweg beträgt 115 mm.

Wollen Sie Ihre Sozia mitnehmen, so können durch Verdrehen der Griffmuttern die hinteren Federbeine auf 'Hart' gestellt werden. Bitte beachten Sie aber, daß die Federbeine mindestens 50...60 mm einfedern müssen, damit die Stoßdämpfer die Rücklaufenergie wirksam abfangen können. Also nicht bei einem 'Leichtgewicht' auf 'Hart' stellen!



2.11. Achsen und Räder

nächster Punkt ; Inhaltsverzeichnis

Vorder- und Hinterachse sind als Steckachsen ausgebildet. Gelagert sind die Laufräder vorn durch zwei, hinten durch drei Lager. Entsprechend dem stärkeren Hinterreifen ist hinten eine breitere Vollhornfelge vorgesehen (siehe 'Technische Daten'). Beide Räder haben Geradspeichen.



2.12. Bremsen

nächster Punkt ; Inhaltsverzeichnis

Vorder- und Hinterradbremsen sind verrippte Vollnabenbremsen und werden mechanisch betätigt, vorn durch Seilzug mit rechtem Handhebel am Lenker, hinten über Gestänge durch den rechts liegenden Fußhebel. Der vordere Bremshebel liegt im Innern des


Bild 14. Bremse


Bild 15. Fahrer- und Soziussattel aufgeklappt


Bremsdeckels, kann deshalb im Winter nicht einfrieren und stört auch nicht beim Putzen.



2.13. Fahrer- und Soziussattel sowie Sitzbank

nächster Punkt ; Inhaltsverzeichnis

Alle ES-Motorräder werden wahlweise mit Sätteln oder Sitzbank geliefert. Die Einzelsitze haben eine starke Schaumgummiunterlage und sind mit einem elastischen Gummiüberzug versehen. Unter den beiden Sitzen ist


Bild 16. Sitzbank


Raum für das Bordwerkzeug und Ersatzteile, wie Kettenschlösser, Glühbirnen und Isolierband.

Außerdem ist unter dem Fahrersattel das Naßluftfilter untergebracht.

Um den Soziussitz aufklappen zu können, müssen erst die beiden Knebelmuttern rechts und links gelockert und der Soziusgriff hochgezogen werden. Beide Behälter sind verschließbar.

Die Sitzbank ist ebenfalls mit einem Sicherheitsschloß versehen. Vor dem Aufklappen muß der Haltegurt durch Zurückschieben der Lederabdeckung und seitliches Auseinanderziehen des Gurtverschlusses geöffnet werden.



2.14. Sicherheitsschlösser

nächster Punkt ; Inhaltsverzeichnis

Selbstverständlich hat die ES auch ein Lenkerschloß. Nachdem Sie den Lenker nach links eingeschlagen haben, können Sie in den Klemmkopf am Lenker das


Bild 17. Lenkerschloß


Sicherheitsschloß einstecken und abschließen. Nur damit ist Ihr Fahrzeug diebstahlsicher abgestellt, das Abziehen des Zündschlüssels allein genügt nicht!

Auch die Werkzeugbehälter unter dem Fahrer- und Soziussitz oder der Sitzbank haben Sicherheitsschlösser.



2.15. Hinterradkotflügel

nächster Punkt ; Index

Zum bequemen Radausbau kann das Hinterteil des Kotflügels hochgeklappt werden. Vorher sind die beiden Bundmuttern rechts und links zu lockern.



2.16. Seitenverkleidungen

nächster Punkt ; Inhaltsverzeichnis

Unter der linken Seitenverkleidung finden Sie die Batterie, den Lichtmaschinenregler sowie das Klemmbrett mit der 25-A-Sicherung für die gesamte elektrische Anlage. Unter der rechten Verkleidung ist Platz für Putztücher und ein paar alte Lederhandschuhe für eine evtl. Reifenmontage.



2.17. Hinterradantrieb

nächster Punkt ; Inhaltsverzeichnis

Die Kraftübertragung vom Getriebekettenrad zum Hinterrad erfolgt durch eine Rollenkette. Zwei Profil-Kettenschläuche verbinden den Getriebeblock mit der Preßstoffabdeckung des hinteren Kettenrades und führen die Kette schmutzsicher und verschleißarm.



2.18. Kraftstoffbehälter mit Kraftstoffhahn

nächster Punkt ; Inhaltsverzeichnis

Der Kraftstoffbehälter - mit einem Schnellverschluß von 60 mm Durchmesser - ist in Gummi aufgehängt und faßt etwa 15 l.


Bild 18. Kraftstoffhahn

  1. Zu
  2. Auf
  3. Reserve

Der Kraftstoffhahn sichert mit der Stellung 'Reserve' etwa 1,5 l Kraftstoff. Ein Siebfilter über dem Einlauf zum Hahn (im Kraftstoffbehälter) und ein zweites Filter in der durchsichtigen Filterkappe verhindert das Eindringen von Fremdkörpern in den Vergaser.



2.19. Sonder-Zubehör

nächster Punkt ; Inhaltsverzeichnis

Zum nachträglichen Anbau kann Sonderzubehör über unsere MZ-Vertragswerkstätten vom MZ Ersatzteilvertrieb Gornau bezogen werden:

  1. Beinschutzbleche
    Außer vorzüglichem Schmutzschutz für den Fahrer wird durch seitliche Luftleitbleche bessere Kühlluftzuführung zum Zylinder erzielt. Auch bei hoher Dauerbeanspruchung behält der Zylinder seine normale Betriebstemperatur.
  2. Gepäckträger (Kofferträger)
    Ist für die Aufnahme leichten Handgepäckes geeignet - schwere Koffer beeinträchtigen die Lenkstabilität!
  3. Handschaltung
    Mit diesem Zusatzgerät können auch Gehbehinderte (Prothesenträger) ein MZ-Motorrad bedienen. Evtl. muß zusätzlich der Fußbremshebel nach links verlegt werden.


3. Betriebsmittel

3.1. Kraftstoff

nächster Punkt ; Inhaltsverzeichnis

Für alle drei ES-Typen ist - entsprechend dem Verdichtungsverhältnis von 8,5 resp. 9:1 - ein Vergaser-Kraftstoff von 78 Oktan, also VK 'Extra' (gelb), zu verwenden.

Für das Ausland wird 'Super' empfohlen (OZ 80).



3.2. Motorenöl

nächster Punkt ; Inhaltsverzeichnis

Pleuelstange, Zylinder und Kolben werden durch die einfache und betriebssichere Mischungsschmierung mit Öl versorgt. Unsere jahrelangen Erprobungen veranlassen uns, die ausschließliche Verwendung des

Hyzet-Zweitakt-Motorenöles

für den Motor vorzuschreiben, denn gerade das Beste ist für den Motor gut genug. Dieses legierte Öl verringert die mechanische Abnutzung und das Ansetzen von Verbrennungsrückständen.

Unseren MZ-Freunden im Ausland empfehlen wir ebenfalls, nur legierte Spezial-Zweitakt-Öle (Shell X 100, Zwo-Ta-Mix o. ä.) zu verwenden.

Durch die Verwendung unlegierter Motorenöle verursachte Motorschäden werden von MZ nicht als Garantiefall anerkannt!



3.3. Mischungsverhältnis

nächster Punkt ; Inhaltsverzeichnis

Das Mischungsverhältnis ist in jedem Fall, also auch während der Einfahrzeit, 33:1. Es werden immer 10 l Kraftstoff mit 0,3 l Hyzet-Öl gemischt. Zu wenig Öl schadet naturgemäß dem Motor, deshalb ist es zweckmäßig, das Tanken zu überwachen. Wird die Mischkanne benutzt, so ist zu beachten, daß nicht ein Teil der verhältnismäßig geringen Ölmenge in der Ölkanne zurückbleibt. Besonders im Winter kann das sehr viel sein!

Bei den automatischen Mischsäulen geht es darum, daß auch wirklich auf 33:1 umgestellt wird und Ihnen der Tankwart nicht etwa versehentlich reinen Kraftstoff 'einschenkt'. Zu viel Öl bringt keinen Nutzen. Weil es der Motor nicht verarbeiten kann, setzt sich ein Teil im Schalldämpfer ab, mit dem Rest 'vernebeln' Sie die Straße. Daß andere Verkehrsteilnehmer über diesen 'Kondensstreifen' nicht erfreut sind, ist doch wohl verständlich! Also - nicht auf 'Auch-Fachleute' hören, Sie ersparen sich verölte Zündkerzen und das Reinigen des Schalldämpfers!

Gegen die Verwendung von Zusatzölen zum Kraftstoffgemisch, wie 'Obenschmieröl' oder Präparate mit kolloidalem Graphit ist nichts einzuwenden, jedoch erst nach der Einfahrzeit. Für den Zweitaktmotor ist letzteres zweckmäßiger. Aber nur für den Motor - auf keinen Fall in das Getriebe!



3.4. Schmiermittel für Kraftübertragung

nächster Punkt ; Inhaltsverzeichnis

Für das Getriebe mit Primärantrieb sind 750cm³ Motorenöl als Schmiermittel vorgesehen. Auf keinen Fall dürfen graphitierte Öle verwendet werden, weil damit die Kupplung rutschen würde. Dieselben Beanstandungen treten auf, wenn Sie Hyzet-Öl einfüllen. Entsprechend der Jahreszeit ist Sommer- oder Winteröl zu verwenden.



3.5. Schmiermittel für Fahrgestell

nächster Punkt ; Inhaltsverzeichnis

Alle Schmiernippel des Fahrgestelles sind durch eine Hochdruckpresse mit Motorenöl abzuschmieren. Nur der Tachoantrieb am Getrieberitzel erhält Abschmierfett. Bitte den Schmierplan (Bilder 43 und 44) beachten!



3.6. Stoßdämpferfüllung

nächster Punkt ; Inhaltsverzeichnis

Die Stoßdämpfer sind mit je 80 cm³ 'Globo'-Stoßdämpferflüssigkeit gefüllt. Viskosität 4...5 °E bei 20 °C.

Steht dieses Stoßdämpferöl im Ausland nicht zur Verfügung, so kann auch ein anderes Erzeugnis verwendet werden, sofern es die gleiche Viskosität hat.

Liegt der Wert niedriger, so wird die 'Rücklaufenergie' der Druckfeder im Federbein nicht voll abgefangen das Fahrzeug 'schwimmt'!

Liegt der Wert höher, so geht die Druckfeder zu langsam in ihre Endlage zurück Für die nächsten Fahrbahnstöße steht dann nur noch der halbe Federweg zur Verfügung - die Federung wird 'hart' und immer härter!



4. Und nun zum Fahren

4.1. Fahrfertig machen

nächster Punkt ; Inhaltsverzeichnis

Zuerst erhält die ES ihre vorgeschriebene Kraftstoff-Öl-Mischung, ohne die Sie nun mal nicht fahren können. Eine undefinierbare Mischung kann daran schuld sein, daß Ihr Motor nach einigen Kilometern festgeht. Also, nur eine einwandfreie Kraftstoff-Öl-Mischung einfüllen! Als nächstes überprüfen wir den Reifenluftdruck. Die Schuhspitze ist kein zuverlässiges Meßinstrument, kaufen Sie sich lieber einen Druckprüfer. Bestimmt merken Sie dann auch, daß die Tankstellengeräte verschieden anzeigen. Der richtige Reifenluftdruck ist sehr wichtig: Zuwenig schadet dem Reifen, zuviel ergibt schlechte Straßenlage. Deshalb - vor jeder größeren Fahrt nachprüfen! Die richtigen Werte können Sie unter 'Technische Daten' nachlesen.

Oft wird beim Abholen durch LKW vom Verkaufsstellenpersonal des Handels das Vorder- oder Hinterrad ausgebaut, um die Fahrzeuge besser transportieren zu können. Überprüfen Sie deshalb vorsichtshalber, ob beide Steckachsen fest angezogen sind.

Sollten Sie den Kraftfahrzeugbrief noch im Werkzeugbehälter liegen haben, so verwahren Sie diesen bitte zu Hause sorgfältigst. Dieser ist der Personalausweis Ihres Fahrzeuges. 'Ohne' können Sie Ihre ES weder anmelden noch verkaufen, nicht einmal verschenken!

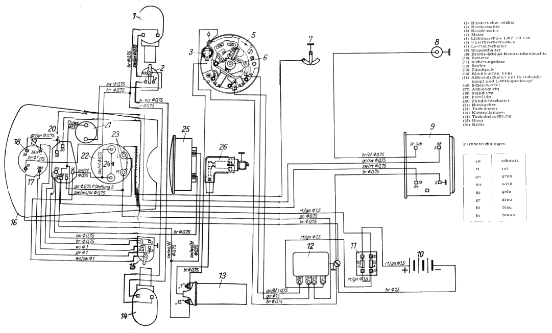
Anders ist es mit der Betriebsanleitung - diese gehört in den Werkzeugkasten. (Aber nicht ausgerechnet auf das Luftfilter legen, dann 'ersäuft' der Motor!). Gibt es doch einmal unterwegs eine kleine Panne, z. B. am 'Elektrizitätswerk' - die fremde Werkstatt möchte Ihnen helfen, kennt sich aber mit der ES nicht aus bitte, in der Betriebsanleitung ist der Schaltplan!

Bevor Sie Ihre Jungfernfahrt antreten, nicht vergessen, das Auspuffrohr vom anhaftenden Fett zu befreien, sonst ist nach einigen Kilometern das Auspuffrohr blau angelaufen.



4.2. Starten

nächster Punkt ; Inhaltsverzeichnis

Bild 19. Bedienungshebel



Gewöhnen Sie sich für Ihre spätere Fahrpraxis an. Ihren Motor, wenn er längere Zeit gestanden hat (vor allem im Winter), bei gezogener Kupplung einige Male leer durchzutreten.

Dadurch vermeiden Sie, daß die klebenden Kupplungslamellen beim Einschalten des ersten Ganges ein unerwünschtes Geräusch verursachen.

Nun stecken Sie den Schlüssel auf Stellung 0 in das Zündschloß und schalten auf Stellung 1, damit haben Sie die Zündung eingeschaltet, außer der roten Ladekontrollampe muß auch die grüne Leerlaufanzeige aufleuchten. Wenn nicht, schalten Sie den Fußschalthebel (Bild 21) durch: Der Leerlauf liegt zwischen 1. und 2. Gang. Leuchtet nun die grüne Leerlaufkontrollampe, haben Sie die Gewißheit, daß der Leerlauf eingeschaltet ist - Zündung wieder aus.

Jetzt wird der Kraftstoffhahn auf 'AUF' gestellt (Bild 18). Zum Starten braucht der kalte Motor ein reicheres Gemisch, deshalb ist der Lufthebel zu schlie-


Bild 20. Tupfer am Vergaser


ßen. Dann drücken Sie den Tupfer am Vergaser etwa 3...4 Sekunden nieder, damit der Kraftstoff am Schwimmergehäuse überläuft - nicht nervös hämmern! Das beschädigt auf die Dauer den Schwimmer. Das Überlaufen des Schwimmergehäuses kann wegen der Vergaserabdeckkappe nicht beobachtet werden. Zählen Sie deshalb von 21...24, das sind 4 Sekunden! Jetzt Zündung einschalten, den Drehgriff etwas öffnen, kräftig antreten, und der Motor muß anspringen! Den Lufthebel nur so weit öffnen, daß der Motor willig Gas annimmt!



4.3. Fahrt frei

nächster Punkt ; Inhaltsverzeichnis

Der Motor braucht nicht warmzulaufen, deshalb:

Kupplungshebel bis zum Anschlag ziehen, ersten Gang einschalten durch Niederdrücken des Fußschalthebels. Den Kupplungshebel langsam freigeben, dabei Drehgriff langsam öffnen, nicht aufreißen! Wenn es dabei ruckt, dann liegt das an der mangelnden Abstimmung


Bild 21. Fußschalthebel


Ihrer beiden Hände. Sind etwa 20 km/h Geschwindigkeit erreicht, Kupplung ziehen, zugleich Drehgriff zu, Fußschalthebel in den zweiten Gang hochziehen, Kupplung freigeben und dabei wieder zügig Gas geben.

Sind ungefähr 45 km/h erreicht, wird in der gleichen Weise auf den dritten und bei 60 km/h auf den vierten Gang geschaltet. Dabei ist der Lufthebel vollständig zu öffnen, sofern der Motor Gas annimmt und nicht etwa noch durch den Vergaser 'patscht'.



4.4. Zurückschalten am Berg

nächster Punkt ; Inhaltsverzeichnis

Schafft der Motor eine Steigung nicht im vierten Gang, d. h. die Geschwindigkeit geht auf 50 km/h zurück, so muß rechtzeitig auf den dritten Gang geschaltet werden:

Auskuppeln, Drehgriff aber nur halb schließen,
(Zwischengas!),
Fußschalthebel niederdrücken,
Einkuppeln und wieder Gas geben.

Im Gegensatz zum Aufwärtsschalten muß dieser Vorgang so schnell durchgeführt werden, daß das Fahrzeug nicht an Geschwindigkeit verliert. Geht die Geschwindigkeit weiter zurück, so wird bei etwa 35 km/h auf den zweiten und bei etwa 15 km/h auf den ersten Gang geschaltet. Benutzen Sie bitte die Kupplung nur zum Aus- und Einkuppeln, ein öfteres 'Schleifenlassen' verträgt auf die Dauer auch der beste Kupplungsbelag nicht!



4.5. Anhalten

nächster Punkt ; Inhaltsverzeichnis

Abbremsen, dabei den Drehgriff langsam schließen, auskuppeln und herunterschalten auf Leerlauf. Auf keinen Fall den Motor 'abwürgen'. Wollen Sie parken, dann Zündung ausschalten und den Kraftstoffhahn schließen. Nicht vergessen, den Zündschlüssel abzuziehen, sonst machen Sie sich strafbar.

Beim Halten vor Bahnschranken oder einer Verkehrsampel nicht längere Zeit die Kupplung ziehen, sondern auf Leerlauf schalten.



5. Einfahren und wirtschaftlich fahren

nächster Punkt ; Inhaltsverzeichnis

Wenn Sie sich unter dem Mikroskop ein geschliffenes und hochglanzpoliertes Teil ansehen, z. B. den Kolbenbolzen, wird Ihnen verständlich werden, warum das richtige Einfahren so wichtig ist. Trotz Feinstbearbeitung bleiben winzige Unebenheiten, die sich erst gegenseitig glätten müssen. Dieser Vorgang darf nicht gewaltsam beschleunigt werden, denn die aufeinander gleitenden Teile müssen sich in aller Ruhe aneinander gewöhnen können. Das trifft vor allem für Kolben und Zylinder zu. Deren große Gleitflächen müssen mit einem gleichmäßigen, nicht unterbrochenen Ölfilm überzogen sein. Ist irgendwo noch eine kleine Druckstelle und Sie lassen dem Kolben keine Zeit, im Guten mit dem Zylinder auszukommen, dann 'frißt' er. Das kriegen Sie fertig, wenn Sie längere Zeit mit Vollgas fahren, denn

hohe Drehzahlen = hoher Flächen- und Lagerdruck.

Der 'Erfolg': der Ölfilm reißt ab!

So häßlich wie das Wort 'Fressen' ist auch der Schaden; den Sie verursacht haben. Wenn der Motor nämlich mit kreischendem Geräusch festgegangen ist, so müssen Zylinder und Kolben abgebaut und letzterer mit feiner Schlichtfeile oder Ölstein nachgearbeitet werden (auf keinen Fall dazu Schmirgelpapier benutzen!). Hat der Zylinder Riefen bekommen, so hilft nur ausschleifen, denn sonst können Sie niemals ein einwandfreies Laufbild erzielen.

Ein guter Fahrer hat stets zwei Finger ('vorsichtige Finger'!) auf dem Kupplungshebel liegen, um sofort auskuppeln zu können. Dadurch werden ernste Schäden vermieden. Natürlich hinterläßt auch ein leichter 'Kolbenklemmer' sichtbare Spuren. Diese Druckstellen arbeiten sich aber bei vorsichtiger Fahrweise nach einiger Zeit ab.

Von der Wichtigkeit des richtigen Einfahrens haben wir Sie nun wohl überzeugt und fassen alles Wesentliche für die Einfahrzeit (1500...2000 km) zu einem 'Fahrplan' zusammen:



  1. Den Motor nicht unnötig im Stand laufen lassen, sondern sofort mit der zulässigen Belastung anfahren, damit er schnell seine Betriebstemperatur erhält. Der verbrannte Kraftstoff scheidet nämlich in jedem Motor Kohlendioxyd und Wasser aus. Diese 'bösen Geister' setzen sich beim kalten Motor (nicht warmen!) im Motorinnern ab und verursachen mehr oder weniger Korrosion (Rostbildung) - das ist die Hauptursache für vorzeitigen Verschleiß. Deshalb - auch im Winter: Antreten, Garagentür schließen, Handschuh an und ab geht's!
  2. Es wurde bewußt darauf verzichtet, den Gasschieberweg während der Einfahrzeit zu begrenzen (drosseln). Überschreiten Sie bis 500 km aber nicht im
      ES 175/1 ES 250/1
    1. Gang etwa 25 km/h 25 km/h
    2. Gang etwa 45 km/h 45 km/h
    3. Gang etwa 60 km/h 65 km/h
    4. Gang etwa 80 km/h 85 km/h
    Erst über 500 km dürfen Sie kurzzeitig (fortlaufend sich steigernd bis zum Ende der Einlaufzeit) Vollgas anbieten. Je mehr Kilometer der Motor hinter sich hat, um so mehr und länger dürfen Sie ihn belasten.
  3. Rechtzeitig schalten, damit der Motor weder im zu kleinen Gang überdreht, noch im zu großen 'bockt'. Fahren Sie Steigungen, die der Motor eben noch im vierten Gang mit Vollgas schafft, lieber mit dem dritten und Halbgas. Im mittleren Drehzahlbereich fühlt sich der Motor am wohlsten und verbraucht aus Dankbarkeit wenig Kraftstoff.
  4. Vorsicht auf der Autobahn, sie verleitet unbewußt zur Schnellfahrt oder zum Fahren mit einer Drehgriffstellung. Auf Landstraßen werden Sie durch Kurven, Ortsdurchfahrten u. ä. gezwungen, in verschiedenen Geschwindigkeitsbereichen zu fahren. Der gute Fahrer schaltet oft!
  5. Bei einer längeren Bergabfahrt ab und zu kurz etwas Gas geben. Wenn der Gasschieber geschlossen ist, erhält der Motor fast kein Gasgemisch und damit auch wenig Schmierung!
    War die Steigung vorher ein 'schwerer Brocken' und der Motor ist heiß geworden, dann kurze Zeit den Lufthebel bis auf ein Viertel schließen, die 'Innenkühlung' stellt schnell wieder die normale Betriebstemperatur her.
  6. Reinigen Sie den Vergaser und das Filter am Kraftstoffhahn öfter, damit jede Verminderung des Kraftstoffzulaufes vermieden wird. Die Folge eines zu mageren Kraftstoff-Luftgemisches ist ein überhitzter Motor und evtl. ein 'Kolbenklemmer'!
  7. Für die Einfahrzeit muß das Mischungsverhältnis 33:1 unverändert beibehalten werden, eine besondere Einfahrdüse ist nicht erforderlich. Nur die Teillast(Düsen-)Nadel kann in der Nadelposition verändert werden.
    Kolloidales Graphit oder Molybdändisulfid (MoS&sub2;) als Zusatz zur Kraftstoff-Ölmischung ist für die Einfahrzeit nicht zu empfehlen, weil damit der Einlaufvorgang unkontrollierbar verlängert wird.


Zum Schluß möchten wir aber auch vor übertriebener Schonung und Vorsicht warnen, damit nicht nach 5000 Fahrkilometern der Kolben 'klemmt', weil der Motor noch nie voll beansprucht wurde.

Natürlich können Sie auch während der Einfahrzeit Ihre Sozia mitnehmen. Der höheren Belastung entsprechend muß früher geschaltet werden.

Lerne richtig bremsen, denn 'Sicherheit in jedem Fall' muß das oberste Gebot sein!

Benutzen Sie immer - bei nasser und schmieriger Straße oder Glatteis mit entsprechender Vorsicht - beide Bremsen. Nur durch den dauernden Gebrauch bleibt die Vorderradbremse voll wirksam. Das Fahrzeuggewicht verlagert sich beim Bremsen auf das Vorderrad, deshalb hat es bessere Bremswirkung. Werden beide Bremsen gefühlvoll und gleichmäßig betätigt, können Sie diese auch auf nasser Straße voll einsetzen. Wenn andererseits einmal ein 5tonner quer steht und die Vorderradbremse zieht nicht oder blockiert - weil sie nie benutzt wurde, dann - ja, was dann passiert, können Sie sich selbst ausmalen!

Vermeiden Sie das Bremsen in Kurven, das ist mit Schleuder- und Rutschgefahr verbunden. Vor der Kurve Gas weg, bremsen und im Scheitelpunkt der Kurve wieder zügig Gas geben! Üben Sie - zuerst mit entsprechender Vorsicht - auf verkehrsarmen Nebenstraßen, bis das gleichzeitige Betätigen beider Bremsen gewissermaßen zur Reflexbewegung wird. Dann werden Sie im Gefahrenmoment automatisch und vor allem mit der richtigen Dosierung reagieren, denn blockieren dürfen die Räder nicht, weil dabei der Reibwert niedriger ist. Außerdem kommen Sie dabei ins Schleudern und evtl. zum Sturz.

Nicht das Motorrad, sondern der Fahrer fährt, deshalb auch etwas aus unserer Fahrpraxis für Ihr persönliches Wohlergehen, das heißt, soweit es das Motorradfahren betrifft:

Zweckmäßige Kleidung, denn mit steifgefrorenen Fingern und Füßen kann nicht mehr gefühlvoll gebremst und gekuppelt werden. Das körperliche Unbehagen verlängert die Reaktionszeit (Schrecksekunde) bei schwierigen Verkehrssituationen! Bei einer längeren Fahrt im Hochsommer nicht 'kniefrei' und mit offenem Hemdkragen fahren. Wenn sich ein bösartiges Insekt für die unbeabsichtigte Landung auf Ihren nackten Körperteilen revanchiert, ist das für Sie zwar schmerzlich, das Wesentlichste ist aber, daß Ihre Aufmerksamkeit für den Straßenverkehr momentan abgelenkt wird. Sandalen und ähnliches absatzloses Schuhwerk mag im Hochsommer bequem sein, zum Motorradfahren ist es jedoch nicht das Richtige. Die Absätze geben den Füßen Halt auf den Fußrasten, 'ohne' können Sie bei einer Notbremsung (wo es oft um Sekundenbruchteile geht) von Raste und Bremspedal abrutschen.

Eine zugfreie, gut sitzende Schutzbrille ist ebenso wichtig wie ein einwandfrei passender Sturzhelm. Schon das kleinste Insekt im Auge des Fahrers macht die ES vorübergehend 'führerlos'. Bitte rechnen Sie einmal aus, mit welcher Wucht ein Käfer von 1 Gramm Masse bei einer Fahrgeschwindigkeit von 80 km/h bei Ihnen auftrifft!

Tip für den Sonntagsfahrer

Es hebt nicht die gute Laune, wenn Sie vor Antritt einer Fahrt, gut verpackt in Fahrermantel, Schal und Sturzhelm, zehnmal den Kickstarter niedertreten müssen. Beugen Sie dem vor, indem Sie bei der Heimfahrt schon 200...300 m vor der Garage den Kraftstoffhahn schließen, damit beim nächsten Start frischer Kraftstoff in den Vergaser kommt. Die leichtflüchtigen Bestandteile verdunsten bei längerer Standzeit, und gerade auf diese kommt es beim Starten an. Auch das kostet Kraftstoff, wenn Sie mehrmals den Vergaser tippen müssen!



6. Instandhaltung

nächster Punkt ; Inhaltsverzeichnis

Das reichhaltige Bordwerkzeug ermöglicht es Ihnen, fast alle Wartungsarbeiten selbst durchzuführen. Benutzen Sie bitte den Wartungsplan am Schluß dieser Betriebsanleitung als Grundlage für diese Arbeiten, die nun einmal nötig sind, um Ihr Fahrzeug betriebssicher und fahrbereit zu erhalten.


Bild 22. Werkzeuge


6.1. Motor und Getriebe

nächster Punkt ; Inhaltsverzeichnis

Um den Motor werden Sie sich wenig kümmern müssen. Sofern er immer die vorgeschriebene Kraftstoff-Öl-Mischung erhält, Vergaser und Zündanlage in Ordnung sind, besteht die Wartung im gelegentlichen Nachziehen der Überwurfmutter des Auspuffrohres und der vier Muttern des Zylinderdeckels.



6.2. Kupplung nachstellen

nächster Punkt ; Inhaltsverzeichnis

Der Kupplungshebel muß am Seilzug ein Spiel von etwa 3 mm haben. Ist es weniger, kann die Kupplung rutschen, ist es mehr, hebt sie nicht voll aus.



Bild 23. Spiel am Kupplungshebel



Bild 24. Kupplungsseil auswechseln



Nachgestellt wird mit der Schnellverstellung am Kupplungshebel.

Zum Auswechseln des Kupplungsseiles ist nach Zurückziehen der Bowdenzughülle der Einsatz (1) herauszunehmen. Nachdem die Hülse (2) herausgeschraubt wurde, kann das Nippel (3) aus dem Kupplungsgestänge seitlich herausgedrückt und der Bowdenzug ausgetauscht werden. Die Montage erfolgt in umgekehrter Reihenfolge.



6.3. Ölstand im Getriebe prüfen

nächster Punkt ; Inhaltsverzeichnis

Vor Antritt einer größeren Fahrt, spätestens aber nach jeweils 1000 km, ist der Ölstand im Getriebe zu kontrollieren. Nach Herausdrehen der Kontrollschraube in Nähe des Fußschalthebels muß dort Öl auslaufen.

Das Fahrzeug darf dabei nicht schief stehen.

Wenn nötig, wird soviel Motorenöl nachgefüllt, bis es an der Kontrollbohrung herausläuft. Die Einfüllschraube finden Sie unter der Vergaserabdeckklappe.



6.4. Getriebeschmiermittel erneuern

nächster Punkt ; Inhaltsverzeichnis

Erstmalig nach etwa 500 und dann weiterhin nach jeweils 10000 Fahrkilometern ist das Getriebeschmiermittel zu erneuern. Dazu muß der Motor richtig warm gefahren sein, damit auch Abrieb und Ölschlamm ablaufen. Abgelassen wird nach Entfernen der beiden außenliegenden Schrauben, links am Kupplungsdeckel und rechts außen am Getriebegehäuse. Letztere ist magnetisch, um metallischen Abrieb festhalten zu können. Die beiden mittleren, dicht beieinander liegenden Schrauben dienen zur Schaltarretierung und dürfen nicht herausgeschraubt werden.


Bild 25. Ölkontrollschraube



Bild 26. Öl auffüllen


Nachdem das Altöl restlos abgelaufen ist, werden beide Ablaßschrauben wieder eingedreht, 0,5 l Spülöl eingefüllt und auch die Einfüllöffnung verschlossen. Nachdem Sie einige Runden gedreht haben, lassen Sie das Spülöl


Bild 27. Öl ablassen


restlos ab und füllen 750 cm³ reines Motorenöl ein. Auf keinen Fall graphitiertes Öl oder gar mit MoS&sub2;-Zusatz (Molybdändisulfid) verwenden, auch kein Hyzet-Öl, die Kupplung rutscht damit unweigerlich!



6.5. Verbrennungsrückstände im Auslaßkanal

nächster Punkt ; Inhaltsverzeichnis

Wenn Sie nach etwa 5000 km der Meinung sind, die Leistung des Motors habe trotz richtiger Vergaser- und Zündeinstellung etwas nachgelassen, dann wird es notwendig sein, den Auslaßkanal auf Verbrennungsrückstände zu kontrollieren. Mit dem Hakenschlüssel (Bordwerkzeug) lösen Sie die Auspuffmutter am Zylinder und schrauben die Befestigungsschelle des Schalldämpfers am Rahmenausleger ab.

Wurden unsere Ratschläge in bezug auf Fahrweise und Betriebsmittel befolgt, werden Sie am Auslaßfenster nur unbedeutende Rückstände vorfinden. Rohr und Dämpfer werden in diesem Falle wieder angebaut. Ist das Auslaßfenster aber stark mit Ölkohle zugesetzt, dann muß auch der Verbrennungsraum 'entkohlt' werden. Der Zylinderdeckel wird abgenommen und mit einem Schaber oder Schraubenzieher ausgekratzt. Mit der Drahtbürste oder Schmirgelleinen bekommt er noch eine Nachbehandlung, bis er metallisch blank ist.

Nun zum Kolben: Dieser wird in den oberen Totpunkt gestellt und mit der Drahtbürste nur die lose schuppenartige Ölkohle vom Kolbenboden entfernt. Die harte Kruste bleibt, denn sie schützt den Kolben vor übermäßiger Wärmeaufnahme. Übrigens - wenn Sie einmal den Kolben in die Finger bekommen: Die Ölkohle an Ringpartie und 'Kolbenhemd' bleibt ebenfalls dran, nur die Ringnuten werden vorsichtig ausgekratzt!

Zum Reinigen des Auslaßfensters wird der Kolben in den unteren Totpunkt gestellt und beide Überströmkanäle durch je ein kleines sauberes Läppchen verstopft. Die Ölkohlesplitter sind sehr hart und können zwischen Kolben und Zylinder Unheil anrichten. Von außen her, durch den Auslaßkanal, wird das Fenster ausgekratzt. Auf den Kolben gefallene Ölkohle herausblasen (Gummischlauch)!

Bei der Montage des Zylinderdeckels müssen die Muttern 'über Kreuz' und gleichmäßig angezogen werden, damit der Kopf auch wieder dicht wird. Sollten Sie die 'Kopfdichtung' vermissen, diese wurde nicht etwa vergessen oder eingespart, sondern wegen des besseren Wärmeüberganges weggelassen!



6.6. Verbrennungsrückstände im Schalldämpfer

nächster Punkt ; Inhaltsverzeichnis

Mit der Reinigung des Auspuffkrümmers brauchen Sie sich nicht aufzuhalten, denn die Ölkohlekruste im Rohr wirkt als Wärmeisolation. Auch im vorderen Teil des Schalldämpfers setzen sich bei normalem Fahrbetrieb keine Rückstände ab. Aber im Endstück, im Ringspalt, zwischen den zwei auf Bild 28 besonders gekennzeichneten Teilen, können sich aus den abgekühlten Verbrennungsgasen Rückstände absetzen.


Bild 28. Schalldämpfer zerlegt


Nach Aufbiegen der Blechsicherung und Abdrehen der Sechskantmutter kann das Endstück abgezogen werden. Mit einem Holzspan o. ä. wird der einwandfreie 'Durchgangsverkehr' wieder hergestellt.

Gehen Sie nicht dem Schalldämpfer mit dem Schweißbrenner zu Leibe, bestimmt erschrecken Sie, wenn die blanken Chromteile blau wie ein Veilchen werden! Mit heißem Wasser und einem schmutzlösenden Zusatz aus der nächsten Drogerie haben Sie besseren Erfolg!

Widerstehen Sie der Versuchung, den Dämpfer zu verändern! Dessen Staudruck ist ein Bestandteil des ganzen Systems, welches am Luftfilter anfängt und erst am Schalldämpfer-Endstück aufhört. 'Entrümpeln' bringt nur Mehrverbrauch, Minderleistung und Ansteigen der Lautstärke. Lärm ist in diesem Fall ungenutzte Energie!



6.7. Vergaser

nächster Punkt ; Inhaltsverzeichnis

Die Bezeichnungen 'Gas geben' oder 'Vergaser' sind an sich irreführend, denn es wird nichts vergast, sondern ein Gemisch von Luft und Kraftstoff - ein Kraftstoffnebel - im Vergaser aufbereitet. Nur wenn beides im richtigen Verhältnis - 15 Teile Luft und 1 Teil Kraftstoff - miteinander vermischt wird, kann der Motor die zugesicherte Leistung abgeben.

Mehr Benzin ergibt eine 'Brennverzögerung', etwa so, als wenn mit Spätzündung gefahren wird = schlechte Leistung und hoher Kraftstoffverbrauch!
Zuwenig verursacht das unter dem Begriff 'Kraftstoffklingeln' bekannte Nebengeräusch. Die Selbstentzündung beginnt bereits vor OT. Die Zündkerze braucht nichts mehr zu 'zünden', weil der Motor auch bei ausgeschalteter Zündung weiterläuft. Die damit verbundene Überhitzung verursacht Kolbenklemmer!

Wir glauben Sie nun von der Dringlichkeit der richtigen Vergasereinstellung und einer gelegentlichen Säuberung überzeugt zu haben und schildern nun, wie das gemacht wird.

Um überhaupt an den Vergaser heranzukommen, muß man: Abdeckkappe abnehmen, Kraftstoffschlauch abziehen, Verschlußmutter abdrehen (siehe Bild 29) und Schlitzmutter lösen.

Nachdem der Rundschieber herausgezogen und die Kappe abgenommen wurde, liegt der Vergaser frei. Nach Lösen der Klemmschellen vor und hinter dem Vergaser kann er vom Ansaugstutzen abgezogen werden.


Bild 29. Abnehmen der Abdeckkappe


(Vielleicht sind Ihnen die Bezeichnungen der Vergaserteile nicht geläufig. Auf Bild 8 können Sie nachlesen, was damit gemeint ist.)

Eintretender Schmutz setzt sich zuerst im Schwimmergehäuse ab, deshalb dieses zuerst und gründlich mit Benzin säubern. Als nächstes werden die Leerlauf- und Hauptdüse sowie die Leerlauf-Luftstellschraube herausgeschraubt. Die vom Sitz der Leerlauf-Kraftstoffdüse ausgehende Leerlauf-Bohrung (sie mündet im Mischraum) blasen wir mit Preßluft durch (die Luftpumpe tut's auch!).

Den kalibrierten Bohrungen der Düsen nicht mit einer Nadel oder Draht zu Leibe gehen - dann sind diese am längsten Düsen gewesen -, sondern mit einer Borste aus Muttis Handfeger durchstoßen.

Wenn trotz richtiger Vergasereinstellung der Kraftstoffverbrauch zu hoch ist, dann auch die Dichtung unter dem Mischkammer-Einsatzstück untersuchen. Ist diese beschädigt, bekommt dort der Motor außerhalb des Düsensystems zusätzlich Kraftstoff. Nadeldüse herausdrehen und Einsatzstück nach oben durchschieben. Vorsicht bei der Montage, daß die Nase der Papierdichtung in die dafür vorgesehene Aussparung am Einsatzstück kommt. Wird der Schacht für die Leerlaufluft ganz oder teilweise verdeckt, gibt's wieder Ärger!

Der Mehrlochzerstäuber hat folgende Funktion:

Er führt die Düsennadel, damit diese nicht die kalibrierte Bohrung der Nadeldüse ausschlagen kann. Die Ansaug-Gassäule vibriert (der Techniker nennt das 'Gaswechselvorgang') und reißt die Düsennadel mit.

Der Zusammenbau geht in umgekehrter Reihenfolge vor sich. Die gereinigten Vergaserteile hatten Sie doch auf ein sauberes Tuch gelegt? Trotzdem werden die Dichtflächen und die Dichtringe selbst nochmals abgewischt.

Vorn, unter 'Technische Daten', sind alle Einstellwerte zusammengefaßt. Diese haben immer Gültigkeit, also während und nach der Einfahrzeit, bei Sommer- und Winterbetrieb. Die Hauptdüse bleibt ebenfalls unverändert.

Wenn der Motor mit dieser Einstellung nicht einwandfrei läuft, darf nicht mit größeren oder kleineren Haupt- oder Leerlaufdüsen überbrückt werden. Die wirkliche Ursache muß gesucht und beseitigt werden.

Grundsätzlich beginnt die Fehlersuche beim Kraftstoff-Niveaustand im Schwimmergehäuse. Dieses liegt bei genau waagerecht stehendem Vergaser 2...2,5 mm unter Oberkante Nadeldüse. Wenn der Kraftstoff aus irgendwelchen Gründen tiefer steht, muß sich der Motor besonders beim Beschleunigen den 'Sprit aus dem Keller holen'. In allen Regelbereichen des Vergasers ist dann zwangsläufig die Einstellung zu arm!

Das umgekehrte Verhältnis liegt vor, wenn nach längerer Laufzeit der Nadelsitz im Schwimmergehäusedeckel stark abgenutzt ist. Da hilft keine kleinere Hauptdüse (damit 'ersäuft' der Motor trotzdem, wenn Sie nicht immer sofort den Benzinhahn schließen), sondern nur ein neuer Schwimmergehäusedeckel mit Schwimmernadel!
Und hier die 'Arbeitseinteilung' im Vergaser:


  • Hauptregelbereich der Leerlaufdüse 0...1/8 Gasschieberweg (ist noch bis Vollgas wirksam)
  • Regelbereich des Schieberausschnittes bis 1/4 Gasschieberweg
  • Regelbereich der Düsennadel 1/4...3/4 Gasschieberweg
  • Hauptregelbereich der Hauptdüse 3/4...Vollgas (beeinflußt aber den ganzen Bereich)


Es gibt nichts Unangenehmeres, als in 'Reih und Glied' vor der Verkehrsampel zu stehen und der Motor stirbt bei 'Grün', weil sich beim plötzlichen Beschleunigen der 'schlechte Übergang' bemerkbar macht.

Damit Ihnen derartiges nicht passiert, beschreiben wir


Bild 30. Leerlauf einstellen

  1. Leerlaufluftschraube
  2. Gasschieberanschlagbolzen
  3. Nachstellschraube für Gasbowdenzug

das Leerlaufeinstellen ausführlich:

Die ES gründlich warm fahren (bitte nicht allzu wörtlich nehmen, das sind immerhin etwa 110 °C!) und genau waagerecht aufbocken.

Natürlich muß auch der Vergaser geradestehen, sonst stimmt der Kraftstoffstand nicht.

Leerlaufluftschraube (1) ganz zu, 2 1/2 Umdrehungen öffnen. Anschlagbolzen (2) bleibt unverändert (warum, erklären wir anschließend!). Stellschraube für Gasbowdenzug (3) herausdrehen, bis Motor bei Standgasstellung eben noch weiterläuft.
Leerlaufluftschraube probeweise langsam hinein- und herausdrehen, bis höchste Drehzahl gefunden. Stellschraube für Gasbowdenzug hineindrehen, bis Standgas-Drehzahl wieder normal.
Luftschraube wieder 1/8 Umdrehung hineindrehen (das ist für den besseren Übergang mit kaltem Motor). Stellschraube und Luftschraube festhalten und durch Mutter kontern.

Zum Begriff 'Standgaseinstellung':

Ab Fahrgestell-Nr. 3056933 bei ES 175/1 und Fahrgestell-Nr. 1206331 bei ES 250/1 wurde im Gasdrehgriff - zwischen Schieber und Bowdenzugwiderlager - eine kleine Druckfeder eingesetzt. Damit ergeben sich zwei Stellungen:



  1. Im entspannten Zustand ist die Feder der Anschlag für 'Standgas'. Einreguliert wird mit der Stellschraube für den Gasbowdenzug (auf der Schiebergehäusekappe) - nicht mit dem Schieberanschlagbolzen! Dieser dient nur noch als Verdrehsicherung für den Gasschieber und muß soweit hineingedreht sein, daß er den Schieber nicht am Schließen hindert.
  2. Wird der Drehgriff gegen den Federdruck noch weiter geschlossen, schließt der Gasschieber den Vergaserdurchlaß vollkommen ab (sofern nicht durch lange Laufzeit das Schiebergehäuse ausgeschlagen ist!).

Mit diesem 'elastischen' Anschlag - und den sich daraus ergebenden zwei Drehgriffstellungen - braucht auch der sportliche Fahrer nicht auf die Standgaseinstellung zu verzichten. Bergab wird der Drehgriff vollkommen zugedreht. Dadurch werden die Triebwerksteile nicht durch einzelne unregelmäßige Arbeitstakte belastet. Kette und Zahnräder danken das durch längere Lebensdauer!

Auch zum Abstellen des Motors wird der Drehgriff vollkommen zugedreht und dann die Zündung ausgeschaltet. Schließt der Gasschieber den Durchlaß vollkommen ab, so bekommt der Motor kein zündfähiges Gemisch mehr - folglich kann es keine Glühzündungen geben!

Eine kleine Bremsschraube (Schlitzschraube) am Drehgriffbund verhindert den selbsttätigen Rücklauf des Drehgriffes.

Das Leerlaufsystem ist gewissermaßen ein kleiner Vergaser für sich, der über den ganzen Drehzahlbereich zusätzlich Gemisch liefert. Deshalb kann schon eine zu fette Leerlaufeinstellung die Ursache für hohen Verbrauch sein.



6.8. Luftfilter und Ansauggeräuschdämpfer

nächster Punkt ; Inhaltsverzeichnis

Im Vergaser wird 1 Teil Kraftstoff mit 15 Teilen Luft aufbereitet. Diese enormen Luftmengen enthalten allerhand Staub, dessen schmirgelnde Wirkung dem Motor schlecht bekommt.

Deshalb ist das Luftfilter eher zuviel als zuwenig im Benzin auszuwaschen und frisch zu ölen. Dafür gibt es spezielle Luftfilteröle mit der richtigen Viskosität, um alle Fremdkörper festzuhalten. Außerdem kostet dieses Öl wesentlich weniger als Motorenöl.

Vorsicht! Keine Putzlappen im Filterraum ablegen, sie können vor das Filter gesaugt werden. Spätestens nach 5000 km sind auch der Ansauggeräuschdämpfer und der Ansaugtrichter (Gummi) gründlich zu säubern und ebenfalls leicht zu ölen.


Bild 31. Luftfilterreinigung


6.9. Kraftstoffhahn und -filter

nächster Punkt ; Inhaltsverzeichnis

Garantiert sauberes Benzin gibt's nur in der Apotheke. Deshalb hat der Kraftstoffhahn Ihrer ES gleich zwei Filter. Ein Siebfilter vor dem Einlauf (siehe Bild 18), das zweite vor dem Auslauf in der Filterkappe. Das untere Filter kann leicht gesäubert werden: Kappe abschrauben, Filter abschrauben, in Benzin auswaschen und wieder montieren. Mit dem Einlauffilter geht das nicht so leicht, der Kraftstoff muß abgelassen und der Hahn ausgebaut werden. Achtung! - Die Überwurfmutter hat in der oberen Hälfte Rechts-, in der unteren Linksgewinde. Das Filter abziehen und auswaschen, Hahn auf Reserve stellen und vom Ablauf her kräftig durchblasen, evtl. nochmals durchspülen. Beim Zusammenbau auf guten Zustand und Sitz der Dichtungen achten.



6.10. Elektrische Anlage

nächster Punkt ; Inhaltsverzeichnis

Während der Reinigung des Fahrzeuges werden die elektrischen Leitungen auf evtl. Scheuerstellen überprüft. Stellen mit beschädigter Isolierung sind mit Isolierband zu umwickeln. Alle Flachsteckanschlüsse werden auf Oxydation und festen Sitz kontrolliert.

Die Lichtmaschine bedarf keiner Pflege, nur der Schmierfilz am Unterbrechernocken erhält alle 1000 km 2...3 Tropfen Hypoid-Öl. Die höchste Stelle des Nockens muß unbedingt den Filz streifen, sonst ist abnormaler Verschleiß des Unterbrecherhammers die Folge.

Auch der Nockenträger - das ist der zylindrische Ansatz, auf dem der Unterbrechernocken gelagert ist - muß nach etwa 5000 km leicht gefettet werden. Vorher die Lagerstellen mit Benzin säubern und das Heißlagerfett 'Ceritol M 28 T 5' dünn auftragen.

Beim Zusammenbau auf die Markierung achten: Die '0' am Nocken muß auf die '0' am Nockenträger zeigen.

Wenn durch fehlende Schmierung der Nockenträger stark eingelaufen ist, hebt der Unterbrecher ungleichmäßig ab (unter Umständen sogar zweimal auf eine Kurbelwellenumdrehung!). Dadurch setzt der Motor aus, die wirkliche Ursache wird oft nicht gefunden.



6.10.1. Unterbrecherkontakte

nächster Punkt ; Inhaltsverzeichnis

Nach jeweils 2000 km werden die Unterbrecherkontakte auf möglichen Abbrand untersucht. Kleine Brandstellen sind mit der Kontaktfeile zu beseitigen.


Bild 32. Kontrolle des Kontaktabstandes am Unterbrecher


Richtiger ist es, Amboß und Hammer auszubauen und mit einem Ölstein nachzuarbeiten. Kein Schmirgelleinen dazu benutzen!

Die Schlitzschrauben (1) und (2) dürfen bei dieser Arbeit nicht gelockert werden, weil damit der Zündzeitpunkt verstellt wird. Zum Einstellen der Unterbrecherkontakte ist der Nocken auf die höchste Stelle zu drehen ('0'-Stellung), der vorgeschriebene Kontaktabstand von 0,4 bzw. 0,3 mm wird durch Schwenken der Unterbrechergrundplatte um den Lagerbolzen (4) hergestellt. Die Klemmschraube (3) wieder fest anziehen. Die Fühllehre (Bordwerkzeug) darf bei der Messung nicht klemmen, aber auch nicht klappern, sondern beide Kontakte sollen mit eben fühlbarem Widerstand streifen. Unterbrecherabstand und Zündzeitpunkt stehen in unmittelbarem Zusammenhang!

Die Vorzündung (siehe 'Technische Daten') lassen Sie am besten von einer Vertragswerkstatt überprüfen. Diese besorgt das zuverlässig mit Einstellehre (Meßuhr) und Prüflampe.

Nach 10000 km ist die Lichtmaschine von einem IKA-Elektrodienst zu überprüfen: Verschleiß der Schleifkohlen, evtl. Kollektor abziehen.

Um Regler und Zündspule brauchen Sie sich nicht viel zu kümmern, nur alle 5000 km die Kabelstecker auf festen Sitz überprüfen usw.

Das Klemmbrett ist mit zwei 15-A-Sicherungen versehen. Der Lade-Stromkreis ist separat abgesichert. Bitte den Schaltplan beachten.

Besonders hier am Klemmbrett kann sich nach längerer Betriebszeit Oxid bilden. Deshalb die Flachsteckanschlüsse sowie die Kontaktstellen beider Sicherungen blank reiben und mit einem Hauch säurefreier Vaseline (Polfett) überziehen.

Vielen Fahrern ist nicht bekannt, daß durch diese (und andere) schlechte Kontaktstellen Leitungsverluste von 50% und mehr entstehen.


Bild33. Regler, Klemmbrett mit 2 Sicherungen und die Batterie


6.10.2. Zündkerze und Kerzenstecker

nächster Punkt ; Inhaltsverzeichnis

Die Zündkerze ist starken thermischen Beanspruchungen ausgesetzt. Zuerst bei der Verbrennung über 2000 °C, dann die kühlen Frischgase, zugleich den Verbrennungsdruck von über 30 at - und das alles in einer Minute bis zu 5000 mal und mehr! Wir unterstützen die Kerze bei ihrer Arbeit, indem wenigstens alle 2000 km die Verbrennungsrückstände mit der Drahtbürste beseitigt werden. Nicht ausbrennen, der Kerzenisolator bekommt Haarrisse und schlägt dann durch! Durch Nachbiegen der Masseelektrode wird der ursprüngliche Abstand von 0,6 mm wieder hergestellt und mit der Einstellehre (Bordwerkzeug) kontrolliert.

Am 'Kerzengesicht' ist mit einigermaßen Sicherheit die Vergasereinstellung zu erkennen. Hat der Kerzenstein innen keine rehbraune Färbung, so muß schleunigst der Motor überprüft werden. Kommen Sie mit 'Wo liegt der Fehler?', Abschnitt 8, nicht zurecht, dann bitte den MZ-Dienst aufsuchen.

Sehr wichtig ist die richtige Wahl der Kerze:

'Isolator' M 14/240 für normale Beanspruchung, also auch für die Einfahrzeit. Auf keinen Fall einen niedrigeren Wärmewert verwenden (auch nicht im Winter); Glühzündungen schaden dem Motor!

Nach Möglichkeit 'Isolator-Kerzen' verwenden, einige andere Fabrikate liegen trotz gleicher Kennziffer im Wärmewert wesentlich tiefer. Auf jeden Fall nach 10000 km eine neue Zündkerze, diese Ausgabe macht sich durch erhöhte Startfreudigkeit bezahlt.

Die Hauptaufgabe des Kerzensteckers ist die Übertragung des hochgespannten Zündstromes auf die Kerze. Zusätzlich schirmt der Keramikkörper hochfrequente Strahlungen der Kerze ab, die den Rundfunk- und Fernsehempfang empfindlich stören würden. Das Innere des Steckers wird bei einer Kontrolle der Zündkerze immer sauber ausgewischt (Feuchtigkeit und Öl), sonst springt dort schon der Zündstrom über. Die drei Klemmfedern werden so nachgebogen, daß sie am Kerzensockel anliegen und Masseschluß haben.

An den austauschbaren Entstör-Widerstand kommen Sie nach Abdrehen des Steckers vom Zündkabel. Mit dem kleinen Schraubenzieher wird das dort sichtbar gewordene Gewindestück herausgeschraubt, und der Widerstand fällt heraus. Ist dieser am Glaskörper schon etwas angerußt oder die Metallteile stark oxydiert, wird er erneuert. Die Kontaktstellen am Kerzenstecker werden ebenfalls blank gemacht, für das Innere des Steckers nehmen Sie ein Holzstäbchen.



6.10.3. Batterie

nächster Punkt ; Inhaltsverzeichnis

Wenn Sie den Schlüssel ins Zündschloß stecken und die Ladekontrolle glimmt nur, das Horn gibt nur noch ein heiseres Krächzen von sich, dann ist die Batterie leer. Leer in zweifacher Hinsicht - kein Strom - keine Säure, die Platten stehen, wenigstens teilweise, trocken. Zwar kann das Fahrzeug auf Zündschloßstellung 5 im zweiten Gang angeschoben werden, für die Zukunft ist aber regelmäßige Batteriepflege besser als Optimismus!

Die neue Bleibatterie wird wie folgt behandelt:



  • Zellen mit Akkumulatorenschwefelsäure (Dichte=1,24) bis zur oberen Marke füllen.
  • Nach 2...3 Stunden mit 0,6 A laden.
  • Batterie ist geladen, wenn alle Zellen gleichmäßig gasen, die Ladespannung 7,5...7,8 Volt erreicht hat, während der nächsten drei aufeinanderfolgenden Stunden unverändert bleibt und die Säuredichte 1,24 beträgt.
  • Der normale Ladestrom außerhalb des Fahrzeuges beträgt 1,2 A.
  • Nachfüllen der Zellen nur mit destilliertem Wasser.
  • Säurespiegel innerhalb der Markierung halten.
  • Das Gehäuse ist vor Kraftstoff und Schlagbeanspruchung zu schützen.
  • Behandlungsvorschrift genauestens einhalten.

In den ersten Wochen der Betriebszeit ist zweimal an fremder Stromquelle nachzuladen, weil der neue Akku erst nach und nach auf die volle Speicherfähigkeit kommt. Bei Dauerbetrieb ist das später nicht notwendig. Regelmäßig nach 2000 km ist der Säurestand zu überprüfen und durch Nachfüllen (bis zur Markierung) von destilliertem Wasser zu ergänzen. Die Batterieanschlüsse und Polverbindungen sind immer sauber zu halten und mit säurefreier Vaseline (Polfett) zu fetten.

Alle 5000 km muß die Säuredichte in einer Batteriepflegestation überprüft und korrigiert werden.

Fahren Sie auch im Winter, dann nur mit gut geladener Batterie. Bei -10°C gibt sie 80% bei -20 °C sogar nur 60% ihrer Kapazität ab. Also vorsichtshalber gut einpacken.



6.11. Fahrgestell

nächster Punkt ; Inhaltsverzeichnis

Jedes bewegte Teil muß in irgendeiner Form geschmiert werden. Was nützt z. B. die beste Federung, wenn die Schwingarmlagerung schwer geht? Wir haben Ihnen am Ende unserer Anleitung einen Schmierplan (Bilder 43 und 44) aufgestellt, damit ja keine Stelle vergessen wird. Die Hinweispfeile erleichtern Ihnen die Suche nach den einzelnen Schmiernippeln. Schmieren Sie eher etwas öfter und reichlicher als zuwenig.

Wischen Sie die Schmiernippel vorher gut ab, denn Schmutz gehört nicht in die Lagerstellen!



6.11.1. Kettendurchhang

nächster Punkt ; Inhaltsverzeichnis

Der Kettendurchhang wird regelmäßig alle 1000 km überprüft. Zuviel oder zuwenig Durchhang bringt erhöhten Verschleiß. Nicht nur der Kette, sondern auch der Lager.

Geprüft wird bei belastetem Fahrzeug, die Kette muß sich nach oben und unten je 10 mm leicht bewegen lassen. Sie darf an keiner Stelle ohne Durchhang laufen; also bei einem vollen Kettenumlauf prüfen, daß sie an keiner Stelle spannt.

Zum Nachstellen der Kette sind die Steckachsen und die Mutter am Flanschbolzen je zwei Umdrehungen zu lockern.


Bild 34. Prüfen des Kettendurchhanges


Den richtigen Durchhang können Sie jetzt durch gleichmäßiges Verdrehen der Muttern an den Kettenspannern herstellen.

Nachdem alles wieder festgezogen ist, nochmals überprüfen und auf richtiges Spuren achten.



6.11.2. Kettenschmierung

nächster Punkt ; Inhaltsverzeichnis

Die Kette ist in bezug auf Schmierung - durch die staubdichten Kettenschutzschläuche - ziemlich an-


Bild 35. Kette nachstellen

  1. Mutter des Flanschbolzens

spruchslos. Alle 1000 km geben wir durch Zurückschieben des Kettenschlauches an der hinteren Kettenabdeckung 20...30 Tropfen Öl. Dabei wird das Hinterrad langsam durchgedreht.



6.11.3. Kettenverschleiß

nächster Punkt ; Inhaltsverzeichnis

Nach 10000 km ist unbedingt die Kette auf möglichen Verschleiß zu überprüfen. Besonders das Schloß besehen wir uns gründlich. Die Bolzen dürfen in der Lasche nicht locker sein. Sitzt die Verschlußfeder lose in den Nuten, dann ein neues Kettenschloß verwenden!

Abnehmen können Sie die Kette, nachdem der Lichtmaschinendeckel entfernt und das Kettenschloß durch Abdrücken der Feder (nach vorn, mit der Kombizange) geöffnet wurde.

Ein Ende der Kette wird vom Schloß abgezogen und eine alte, aber saubere Kette dort vorschriftsmäßig angehängt - also auch die Verschlußfeder drauf - und die Originalkette herausgezogen. Bitte vorsichtig - wenn das Kettenende im Kettenschutzschlauch verschwindet, haben Sie Arger beim Auflegen der gereinigten Kette!

Zum Überprüfen waschen wir die Kette natürlich gründlich in Waschbenzin aus.

Sind die einzelnen Bolzen schon so stark eingelaufen, daß die Kette, wenn wir sie mit beiden Händen waagerecht (hochkant) vorhalten, krumm wie ein 'Türkensäbel' ist, dann lohnt sich das Auflegen nicht mehr, denn dann sind in kurzer Zeit die Kettenräder auch verschlissen und bekommen 'Haifischzähne'. Eine neue Kette ist billiger als das, was bei einem evtl. Kettenriß zerstört wird!

Meinen Sie, daß die Kette noch 5000 km hält, dann ist sie in erhitztes Kettenfett zu legen, damit Rollen und Bolzen gut geschmiert werden.


Bild 36. Kettenverschluß


Beim Auflegen muß der richtige Sitz der Verschlußfeder am Kettenschloß beachtet werden:

  1. muß die Feder richtig und fest in den Nuten sitzen,
  2. die offene Seite der Flachfeder entgegen der Drehrichtung liegen, damit sie beim Fahren nicht abgestreift wird.

Sehen Sie lieber zweimal hin, um vollkommen sicher zu sein!



6.11.4. Fluchten der Laufräder

nächster Punkt ; Inhaltsverzeichnis

Jedes Vollschwingfahrzeug reagiert stark auf Nicht-Fluchten der Laufräder. Steht das Hinterrad schief, so kommt auch die ES ins Schwimmen. Bei schmieriger Straße kann daraus eine 'Bauchlandung' werden!

Ein erhöhter Reifenverschleiß ist dann eine weitere Folge.

Also nach dem Kettennachstellen oder Reifenflicken stets den Rücken krumm machen und zwischen den Beinen hindurch, am Hinterreifen vorbei, den Vorderreifen anvisieren. Wer es dann noch genauer machen will, nimmt zu Hause eine Meßlatte; die Reifen müssen an 4 Punkten anliegen.



6.11.5. Bremsen nachstellen und säubern

nächster Punkt ; Inhaltsverzeichnis

Jedes Fahrzeug ist nur so gut, wie seine Bremsen sind. Nun - auf die Bremsen der ES können Sie sich verlassen! Voraussetzung für eine 'Notbremsung' ist aber, daß beide Bremshebel richtig eingestellt, sind:

Die Vorderradbremse erhält soviel Spiel, daß die Bremsbacken erst anliegen, wenn das Ende des Lenkerhebels noch etwa 50 mm vom Drehgriff absteht.

Das wegen des gefühlvollen Bremsens!


Bild 37. Vorderradbremse nachstellen


Verstellt wird mit der Rändelschraube am Handbremshebel. Der Fußbremshebel muß so eingestellt sein, daß die Fußspitze immer auf dem Bremspedal liegen kann - gewissermaßen in 'Lauerstellung'! Nur so kann bei plötzlich auftauchenden Hindernissen schnell reagiert werden.

Der Weg des Bremshebels wird mit der Flügelmutter am Bremsgestänge nachgestellt, damit gleichen wir den Verschleiß des Bremsbelages aus.

Alle 5000 km werden beide Bremsen gründlich gesäubert, der Abrieb entfernt und die Anschrägung der Bremsbacken an der anlaufenden Seite nachgefeilt.

Letzteres ist bei der Vorderradbremse wichtig, weil sie sonst zum Blockieren neigt.

Vor dem Ausbau markieren Sie bitte die Bremsbacken, damit sie wieder dorthin kommen, wo sie ursprünglich saßen und sich angepaßt haben.


Bild 38. Hinterradbremse nachstellen


6.11.6. Bremslichtkontakt nachstellen

nächster Punkt ; Inhaltsverzeichnis

Wurde die Einstellung der Hinterradbremse verändert, muß auch der Bremslichtkontakt nachgestellt werden.

Die Gummihülle mit Kabelstecker wird abgezogen und mit dem Maulschlüssel die Kontermutter gelockert. Ein Helfer drückt den Fußbremshebel soweit nieder, bis beim Durchdrehen des Hinterrades die Bremsbacken eben beginnen zu schleifen. In dieser Stellung wird der Hebel festgehalten, und Sie verdrehen die Schlitzschraube, bis das Bremslicht aufleuchtet (Zündung einschalten!). Die Kontermutter gefühlvoll anziehen, damit die Isolierbüchse nicht beschädigt wird.



6.11.7. Reifenluftdruck

nächster Punkt ; Inhaltsverzeichnis

Wenn Sie Ihren Reifen ein langes Leben wünschen, dann halten Sie sich bitte genau an unsere Angaben über den Reifenluftdruck:


Vorn, mit und ohne Sozius oder SW 1,4 at
hinten, Solofahrt 1,9 at
hinten, Soziusfahrt 2,1 at
hinten, mit Seitenwagen 2,1 at
hinten mit Seitenwagen und Sozius 2,6 at
Seitenwagenrad 1,4 at


Wir sagten schon weiter vorn, die Stiefelspitze ist kein Meßinstrument, also kaufen Sie sich einen Druckprüfer; damit wirklich nichts schief geht. Denn der richtige Reifenluftdruck ist nicht nur für die Lebensdauer wichtig, sondern auch die gute Straßenlage hängt davon ab.

0,2 at mehr oder weniger machen sich schon bemerkbar, deshalb überprüft man regelmäßig vor einer längeren Fahrt. Im Hochsommer erwärmt sich der Reifen, und der Luftdruck steigt dadurch. Berücksichtigen Sie das bei einer Kontrolle unterwegs - dieser 'Überdruck' darf nicht abgelassen werden!

Starke Sonnenbestrahlung, Benzin und Öl schaden dem Reifen. - Bitte beachten!

Läßt einmal ohne erkennbaren Grund der Luftdruck nach, dann zuerst den Ventileinsatz überprüfen. Ventilkappe abschrauben, Finger anfeuchten und damit das Ventil betupfen. Entstehen Blasen, wird mit der Oberseite der Ventilkappe der Ventileinsatz nachgezogen oder, wenn das nicht hilft, der Ventileinsatz ausgewechselt. Deshalb - ins Flickzeug auch zwei Einsätze.


Bild 39. Ausbau des Vorderrades


6.11.8. Reifenmontage

nächster Punkt ; Inhaltsverzeichnis

Ist es aber tatsächlich ein 'Plattfuß', dann ist das nicht so schlimm. Durch die Steckachsen ist der Radausbau kinderleicht.


Bild 40. Ausbau des Hinterrades


Vorderrad ausbauen:

  1. Achsmutter lösen, Achse durchdrücken,
  2. Vorderrad herausziehen, Bremsdeckel herausnehmen und ablegen.

Hinterrad ausbauen:

  1. Bremslichtkabel vom Schalter am hinteren Bremsdeckel abnehmen,
  2. Flügelmutter vom Bremsgestänge lösen,
  3. Bundmuttern am Kotflügelende zwei Umdrehungen lockern und Kotflügel hochklappen,
  4. Halteschraube der Zugstrebe entfernen,
  5. Steckachse herausdrehen, Distanzstück zwischen Schwinge und Bremsdeckl entfernen.

Aber bitte die Steckachse auf die Werkzeugtasche legen, damit es auch 'Steck'-Achsen bleiben. Mit Straßenschmutz montiert, geht es das nächste Mal nur mit dem Hammer!

Das Hinterrad bei der Reifenmontage nicht auf die Mitnehmerbolzen legen - die Bolzen sind hohl und nehmen Schmutz auf. Dieser löst sich dann beim Fahren und dringt in die Bremstrommel ein. Dadurch kann der Bremsbelag unbrauchbar werden.

Gehen Sie dem Reifen mit 'Köpfchen' zu Leibe, ist das Schlauchwechseln auch kein Problem. Zuerst wird die Ventilmutter abgedreht und der Ventileinsatz herausgeschraubt. Für die Montage wird das Rad auf den Boden gelegt (Lappen unterlegen!) und der Reifen rundum von der Felge abgedrückt. Bitte als Regel merken:

Den Reifen am Ventil zuerst raus und zuletzt rein! Mit den beiden Fußspitzen gegenüber dem Ventil den Reifen in das Tiefbett drücken, rechts und links vom Ventil kann nun mit den Montierhebeln die Reifenwulst über den Felgenrand herausgehoben werden.

Nachdem der Schlauch herausgenommen ist, wird der Reifen innen abgegriffen, um die Ursache für die Panne festzustellen und zu entfernen.

Den Ersatzschlauch pumpen wir ganz wenig auf, damit er sich im Reifen nicht in Falten legt. Die Innenseite des Reifens wird mit Talkum bestrichen, und nun beginnt in umgekehrter Reihenfolge die Montage. Aber bitte nicht 'rohe Kräfte sinnlos walten' lassen. Denn wenn die Reifenwulst richtig im Tiefbett sitzt - ohne daß der Schlauch darunter eingeklemmt ist -, dann geht das ohne besondere Anstrengung.


Bild 41. Reifenmontage


Am halb aufgepumpten Reifen vergewissern Sie sich noch, ob die Kontrollinie des Reifens gleichmäßig vom Felgenrand absteht, damit der Reifen auch einwandfrei rundläuft (Straßenlage!).

Steht kein Reserveschlauch zur Verfügung, dann bedienen Sie sich des Flickkästchens im Bordwerkzeug. Die Gebrauchsanweisung liegt bei!



7. Die gute Pflege

nächster Punkt ; Inhaltsverzeichnis

Zur schönen Frau gehört das 'Make up' - genauso liebevoll wie Ihre Gattin oder Braut im Schönheitssalon behandelt wird, will auch Ihre ES behandelt werden, um lange schön zu bleiben!

Ist sie einmal staubig geworden, dann wird der Staub nicht trocken abgewischt, sondern vorher mit Poliermittel eingesprüht. Zum Putzen werden nur weiche Lappen benutzt. Verkrusteter Schmutz wird zuerst mit Wasser aus einer Kanne oder Schlauch aufgeweicht, dann nachspülen und nur weiche Bürsten benutzen.

Den Wasserstrahl nicht zu kräftig, auch das schadet dem Lack. Und nicht direkt auf die Fugen an der Vergaserabdeckkappe, Bremsnaben usw. spritzen. Benutzen Sie aber Eimer und Schwamm, dann muß der Schwamm immer wieder gründlich gespült werden, damit der Lack nicht durch Staubkörnchen zerkratzt wird.

Nach dem Waschen wird sofort geputzt, damit keine Wasserflecken entstehen. Die kriegen Sie schwer wieder weg. Die restlos trockenen Lackteile werden mit einem möglichst silikonölarmen Poliermittel (Auto-Schnellwäsche) eingesprüht und nachpoliert.

Ist der Motor stark verschmutzt, so wird er mit Waschbenzin gereinigt. Aber Vorsicht, nichts auf den Lack kommen lassen, das gibt blinde Stellen. Denken Sie auch beim Tanken daran! Sollte das Ihr Tankwart noch nicht wissen, so bringen Sie ihm das bitte bei!

Fahrer- und Soziussitz sowie die Sitzbank dürfen nicht mit Benzin gereinigt werden. Dadurch würde die Konservierungsschicht zerstört. Die Sitze färben dann ab! Nehmen Sie dieselbe Seifenlösung wie Mutti für ihre 'Nahtlosen', damit geht's sogar noch besser. Auch den 'Fliegenfriedhof' am Scheinwerferglas können Sie damit beseitigen.

Steht die ES nun wieder in strahlender Schönheit vor Ihnen, dann geben Sie sich damit noch nicht zufrieden. Probieren Sie, ob das Licht auf allen Schalterstellungen brennt. Vielleicht haben Sie beim Putzen ein lockeres Kabel abgerissen. Auch der Motor wird einmal angetreten, ihm kann ein Wasserstrahl in die 'falsche Kehle' geraten sein! Durch eine kurze Probefahrt mit leicht angezogenen Bremsen wird evtl. in die Bremstrommeln eingedrungenes Wasser beseitigt.



8. Einmotten

nächster Punkt ; Inhaltsverzeichnis

Müssen oder wollen Sie Ihr Fahrzeug längere Zeit außer Betrieb setzen, so machen Sie bitte folgendes:


  1. Das Fahrzeug gründlich säubern. Unterseite und die Kotflügel innen vom Tankwart mit der Sprühpistole behandeln lassen. Luftfilter und Ansauggeräuschdämpfer nicht vergessen, ebenfalls säubern und frisch ölen.
  2. Alles abschmieren (Schmierplan, Bilder 43 und 44).
  3. In das Kerzenloch 0,2 l Spülöl einfüllen, alte defekte Kerze rein, 3...4 mal langsam ohne Zündung durchtreten, damit das Spülöl an alle Lagerstellen kommt.
  4. Batterie ausbauen und beim Elektrodienst in Pflege geben.
  5. Das ganze Fahrzeug gründlich mit Nebelwäsche einsprühen.
  6. Aufgebockt in einem trockenen Raum unterbringen. Die Räder dürfen nicht den Boden berühren. Reifenluftdruck auf etwa 1/2 at ermäßigen.
    Mit Plane oder Faltgarage abdecken.

9. Wo liegt der Fehler?

nächster Punkt ; Inhaltsverzeichnis

Was wir Ihnen schildern, soll eine Art 'Erste Hilfe' sein, wenn im Umkreis von 10 km keine Werkstatt zu finden ist. Machen Sie erst eine Zigarettenpause und denken Sie scharf nach. Es soll schon vorgekommen sein, daß der halbe Motor zerlegt wurde, in Wirklichkeit war nur das Tanken vergessen worden!



9.1. Motor springt nicht an

nächster Punkt ; Inhaltsverzeichnis

(Zündung ist eingeschaltet)

Beim Niederdrücken des Tupfers am Vergaser läuft kein Kraftstoff über:


  1. Kraftstoffhahn geschlossen bzw. nicht auf 'Reserve' geschaltet,
  2. Filter am Kraftstoffhahn verschmutzt,
  3. Kraftstoffzuleitung verstopft,
  4. Luftloch im Verschluß des Kraftstoffbehälters verstopft.

Beim Drücken des Tupfers läuft Kraftstoff über:


  1. Leerlauf- und evtl. Hauptdüse verstopft,
  2. Drehgriff und Lufthebel nicht in der für das Starten erforderlichen Stellung ('warm' Lufthebel auf, 'kalt' zu!),
  3. Kerzenstecker ab oder Widerstand im Entstörstecker defekt.

Die Zündung ist eingeschaltet, aber die rote Kontrolllampe leuchtet nicht auf:


  1. Batterie leer (auf Schalterstellung 5 im zweiten Gang anschieben),
  2. Batteriekabel abgerissen,
  3. Sicherung durchgebrannt,
  4. Zündschloß defekt oder Zündschlüssel zu kurz.

Rote Kontrollampe leuchtet auf, Kraftstoff läuft über, aber der Motor tut es trotzdem nicht:


  1. Kerze verölt ('Bummelfahrt' oder zu fette Mischung),
  2. Kerze naß (zuviel getippt oder Schwimmer hängt).

Zu a): Kerze mit Metallkörper an eine blanke Stelle des Motors legen (aber nicht ausgerechnet an den Vergaser!), Zündung einschalten und durchtreten. An den Elektroden muß ein kräftiger Funke überspringen. Wenn nicht, dann Reservekerze rein, die gehört in den Werkzeugbehälter!
Zu b): Kraftstoffhahn schließen, Drehgriff voll auf und dabei Motor mehrmals durchtreten. Gesäuberte Zündkerze wieder einschrauben und antreten. Der Kraftstoffhahn wird erst dann geöffnet, wenn der Motor wieder rundläuft.



9.2. Rote Kontrollampe geht bei höherer Drehzahl nicht aus

nächster Punkt ; Inhaltsverzeichnis

  1. Regler oder Lichtmaschine defekt,
  2. Scheuerstellen im Leitungsnetz (Isolierband),
  3. Kohlebürsten hängen (abwischen, evtl. Spiralfeder längen).


9.3. Motor läuft unrund

nächster Punkt ; Inhaltsverzeichnis

  1. Lufthebel noch zu,
  2. Luftfilter stark verschmutzt,
  3. Schwimmernadel undicht (ausgeschlagen oder Fremdkörper),
  4. Haupt- und Nadeldüse locker,
  5. Schwimmer ist leck und läuft voll,
  6. Kondensator schlägt durch (starkes Kontaktfeuer!).


9.4. Motor nimmt kein Gas an


nächster Punkt ; Inhaltsverzeichnis

(Vergaserpatschen)
  1. Hauptdüse verschmutzt,
  2. Vergaser hängt schief oder ist locker,
  3. Luftfilter fehlt,
  4. Düsennadelfeder gebrochen, Düsennadel sitzt vor der Düse,
  5. Kerze schlägt am Isolator durch.


9.5. Kraftstoffverbrauch zu hoch

nächster Punkt ; Inhaltsverzeichnis

Bevor Sie jemand mit Ihrem 'hohen Verbrauch' den Nerv töten, machen Sie erst eine Fahrt zum Vergaser-Einstelldienst, oft wird man durch eine Meßfahrt vom Gegenteil überzeugt.

Vielleicht haben Sie auch gerade mal einen etwas von der Norm abweichenden Kraftstoff getankt, und mit der nächsten Tankfüllung geht es schon wieder normal!

Denken Sie beim Fahren immer an die Verbrauchskurve: Zwischen 70 und 80 km/h kommen Sie mit 3,5 l aus, bei dauerndem Vollgas laufen aber 5,5...6 l durch! Auch das ist normal, denn schnell fahren kostet Kraftstoff und damit Geld! Das ist nicht nur bei MZ so, sondern bei allen anderen auch.

Ist nun Ihre ES besonders durstig, obgleich das Fahrzeug mechanisch in Ordnung ist, so überprüfen Sie bitte folgendes:


  1. Dichtung unter dem Vergaser-Einsatzstück undicht,
  2. Hauptdüse oder Nadeldüse locker,
  3. Schwimmernadelsitz ausgeschlagen (über 10000 km),
  4. Kraftstoffniveau zu hoch (Vergaser hängt schief).

Können Sie nichts feststellen, dann fahren Sie zum Vergaser-Einstelldienst. Das richtige Vergasereinstellen ist, nebenbei bemerkt, eine kleine Wissenschaft für sich!



9.6. Batterie hält keinen Strom

nächster Punkt ; Inhaltsverzeichnis

  1. Elektrolytdichte stimmt nicht,
  2. Elektrolytstand zu niedrig,
  3. Platten beschädigt,
  4. Anschlußkabel locker oder oxydiert,
  5. Reglereinstellung stimmt nicht,
  6. Lichtmaschine ladet zu wenig.

9.7. Glühlampen brennen nicht

nächster Punkt ; Inhaltsverzeichnis

  1. Lampe defekt oder Sockel oxydiert,
  2. Kontaktfeder oxydiert,
  3. Zuleitung abgefallen oder locker.

9.8. Das Zündkerzengesicht

nächster Punkt ; Inhaltsverzeichnis

Was für den Menschen das Fieberthermometer bedeutet, ist bei Ihrem Motor das sogenannte 'Kerzengesicht'. Sie können daran bis zu einem gewissen Grad erkennen, ob sich der Motor wohlfühlt.

Für Normalfahrt schreiben wir die 'Isolator'-Kerze M 14/240 vor, wer jedoch seiner ES das Letzte abverlangt, kann eine RM 14/250 S verwenden. Der Kerzenstein an der Mittelelektrode muß hell-rehbraun aussehen, dann ist alles in Ordnung. Ist die Kerze bei unveränderter Fahrweise innen verrußt oder verölt, so können folgende Fehler vorliegen:


  1. Ungeeignetes oder zuviel Motorenöl,
  2. Vergasereinstellung zu fett (mechanischer Fehler?)
  3. Stark verschmutztes Luftfilter,
  4. Elektrodenabstand der Kerze zu klein (Brennverzögerung!),
  5. Dichtring auf Kurbelwellenstumpf läßt Getriebeöl durch.

Ist die richtige Kerze aber gar graublau gebrannt und zeigt Schmelzperlen, dann ist das noch schlimmer, es muß schleunigst Abhilfe geschaffen werden:


  1. Vergaser verschmutzt oder Einstellung zu arm,
  2. Kraftstoffilter oder Zuleitung verschmutzt,
  3. Luftfilter fehlt,
  4. Dichtungen am Motor defekt (falsche Luft),
  5. zu wenig oder ungeeignetes Öl in der Mischung,
  6. Zündkerze locker oder Dichtring vergessen,
  7. Wärmewert der Kerze zu niedrig,
  8. Nebenluft im Ansaugsystem.

Bild 42. Schaltplan (hier vergrößerte Darstellung)


Ersatzteilbeschaffung

nächster Punkt ; Inhaltsverzeichnis

Brauchen Sie für Ihre ES einmal ein Ersatzteil, so wenden Sie sich bitte an den nächsten MZ-Dienst oder an eine Spezial-Verkaufsstelle. Wir können Sie nicht direkt beliefern!

Für unsere Auslandskunden ist bei Ersatzteilbeschaffung und Garantiereklamationen nur der Importeur des betreffenden Landes zuständig.



Kundendienst

Inhaltsverzeichnis

Unsere MZ-Dienste sind verpflichtet, Sie in allen technischen Fragen zu beraten. Wenn Sie einmal den VEB Motorradwerk Zschopau anscheiben, weil Sie der Ansicht sind, daß Sie vom MZ-Dienst nicht zufriedenstellend aufgeklärt oder bedient wurden, dann ist das Schreiben nur an die Abteilung 'Kundendienst' zu richten. Bei technischen Anfragen bitte die Fahrgestell- und Motor-Nummer nicht vergessen. Handelt es sich dabei um Leistung oder Verbrauch, müssen wir auch etwas über die Vergasereinstellung, das Kerzengesicht und das Fahrverhalten wissen, damit Ihnen unsere 'Kundendiener' auch wirklich helfen können!




Bilder 43 und 44. Schmierplan



Schmierplan (Bilder 43 und 44)


Nr. Schmierstelle Anzahl Schmiermittel
  5 Schmierstellen für Hochdruckpresse  
1 Schwingbolzen vorn 1 Motorenöl
2 Schwingbolzen, hinten 1 Motorenöl
3 Fußbremshebelwelle 1 Motorenöl
4 hinterer Bremsschlüssel 1 Motorenöl
5 Tachoantrieb 1 Getriebefett
  Abschmieren mit Ölkanne  
6 Handbremsbowdenzug   Motorenöl
7 Kupplungsbowdenzug   Motorenöl
8 Gasbowdenzug   Motorenöl
9 Bowdenzug für Luftschieber   Motorenöl
10 Kette   Motorenöl
  Abschmieren mit Fett  
11 Drehgriffschieber   Abschmierfett
12 Bremsschlüssel vorn   Heißlagerfett
13 Nockenträger   Heißlagerfett
  Hypoidöl  
14 Filzwischer am Unterbrechernocken   Hypoidöl
  Ölwechsel  
  Getriebefüllung   750 cm³ Motorenöl (unlegiert)


Schmierstellen des Fahrgestells Vor jeder nach jeweils
  Fahrt 500 km 1000 km 2000 km 5000 km 10000 km
Vorderschwinge Motorenöl durchschmieren  
+
       
Hinterschwinge Motorenöl durchschmieren  
+
       
Bremsschlüssel, vorn Heißlagerfett ausbauen, säubern, neu fetten        
+
 
dto. hinten Motorenöl 2...3 Stöße mit ölgefüllter Fettpresse    
+
     
Tachometerantrieb Abschmierfett 2...3 Stöße mit Fettpresse      
+
   
Fußbremshebelwelle Motorenöl durchschmieren    
+
     
Handhebel Motorenöl 1...2 Tropfen mit der Ölkanne    
+
     
Antriebskette (Getr.-Hinterrad) Motorenöl Kettenschlauch zurückschieben, zum Ölen Hinterrad drehen    
+
     
Bowdenzüge Motorenöl Bowdenzüge ausbauen und durchölen      
+
   
Tachometerwelle Motorenöl ausbauen und durchölen        
+
 
Lenkungslager Abschmierfett ausbauen, reinigen, mit frischem Fett versehen        
+
 
Radlager, vorn und hinten Abschmierfett ausbauen, reinigen, mit frischem Fett versehen        
+
 
Gasschieberdrehgriff Abschmierfett ausbauen, mit frischem Fett versehen        
+
 
Antriebskette (Getr.-Hinterrad)   Kette abnehmen, auswaschen, auf Verschleiß überprüfen, in heißem Kettenfett behandeln          
+


Wartungsplan Vor jeder nach jeweils
  Fahrt 500 km 1000 km 2000 km 5000 km 10000 km
Motor und Getriebe
Kupplungsspiel prüfen, evtl. nachstellen (Spiel am Handhebel 2...3 mm)            
Getriebeöl kontrollieren (Öl muß aus der Kontrollschraube ausfließen)    
+
     
Getriebeöl wechseln (Öl ablassen, durchspülen mit Spülöl, 750 cm³ Motorenöl einfüllen)  
+
jeder weitere Ölwechsel nach 10000 km
Ölkohle entfernen (Kolbenboden, Zylinderdeckel und Auslaßschlitze entkohlen)        
+
 
Auspuffanlage (demontieren und reinigen)        
+
 
Vergaser (reinigen, Verschraubungen und Nadeldüse nachziehen, Dichtungen und Teillastnadel überprüfen)        
+
 
Kraftstoffhahn (ausbauen, zerlegen, reinigen und montieren)      
+
   
Luftfilter (in Kraftstoff waschen und einölen)    
+
     
Ansauggeräuschdämpfer (ausbauen und reinigen)        
+
 
Sämtliche Motorschrauben auf festen Sitz überprüfen (evtl. nachziehen)
   
+
     
Zünd- und Lichtanlage
Zündkerze überprüfen (reinigen und Elektrodenabstand con 0,6 mm herstellen)      
+
   
Zündkerze erneuern (Isolator M 14/240)          
+
Unterbrecher (Kontaktabstand 0,3 bzw. 0,4 mm, Schmierfilz mit 2...3 Tropfen Hypoid-Öl tränken)    
+
     
Nockenträger mit Heißlagerfett 'Ceritol' schmieren        
+
 
Batterie (Elektrolytmenge prüfen - evtl. äußere Reinigung mit warmen Wasser)      
+
   
Beleuchtung, Signalhorn und Bremslichtschalter (überprüfen, evtl. nachregulieren)
+
         
Kabelanschlüsse auf Oxydation überprüfen (Geflickte Sicherung ist unzulässig)
       
+
 
Fahrgestell
Lenkungslager (evtl. Spiel durch Nachstellen beseitigen)
+
         
Kettenspannung (Durchgang kontrollieren, evtl. richtigen Durchhang durch Nachstellen herstellen)    
+
     
Bremsen prüfen und bei Bedarf nachstellen. Vor jeder Fahrt ist eine Bremsprobe vorzunehmen
+
         
Reifenluftdruck:  
solo vorn 1,4 at, mit Sozius vorn 1,4 at
+
         
solo hinten 1,9 at, mit Sozius hinten 2,1 at
+
         
Sämtliche Schrauben des Fahrgestelles und beide Steckachsen auf festen Sitz überprüfen    
+
     


Inhaltsverzeichnis